- Partiron
- OEM Parts
- Polaris
- ATV
- 2007
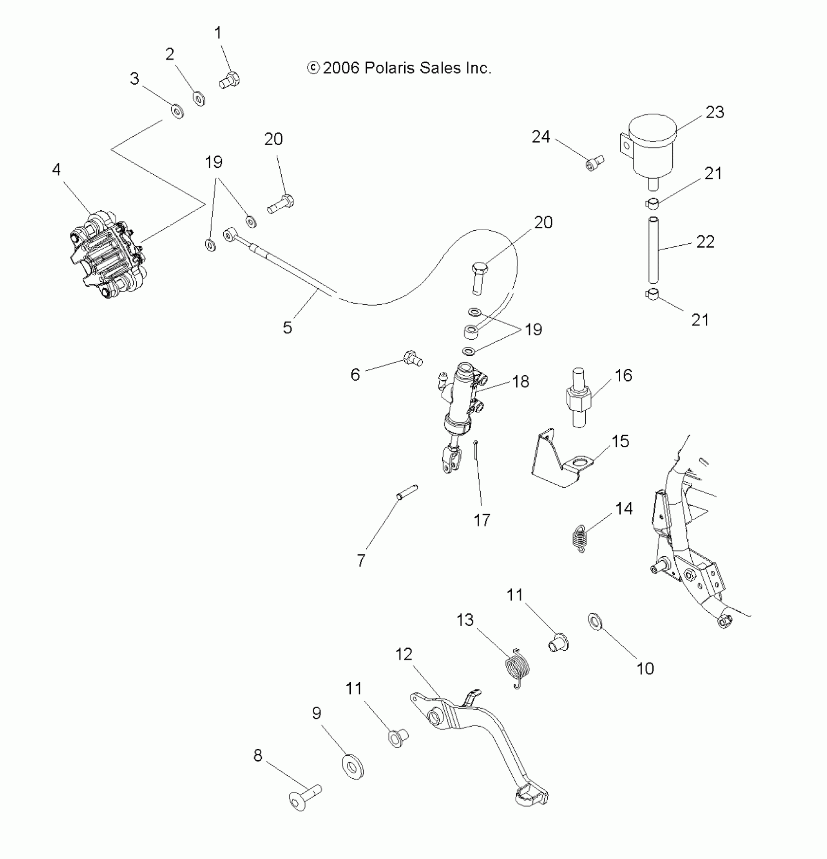
- OUTLAW 525 - A07GP52AA/AB
BRAKE, REAR - A07GP52AA/AB (49ATVBRAKERROUTLAW)
Polaris OUTLAW 525 - A07GP52AA/AB BRAKE, REAR - A07GP52AA/AB (49ATVBRAKERROUTLAW) Diagram
#
Description
Price
15
Bracket, Switch, Brake, Matte' Black
5250065-458
Unavailable
