Outlander 500EFI STD & XT, 2012
01- Cooling System
01- Crankcase
01- Crankshaft, Piston And Cylinder
01- Cylinder Head, Front
01- Cylinder Head, Rear
01- Engine
01- Engine Cooling
01- Engine Lubrication
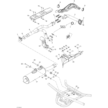
01- Exhaust System
01- Gear Box And Components
01- Gear Box Assy and 4x4 Actuator
01- Gear Box Output Shaft
02- Air Intake Manifold And Throttle Body
02- Air Intake Silencer
02- Fuel System
03- Magneto And Electric Starter Outlander
05- Transmission
06- Hydraulic Brakes
06- Hydraulic Brakes Europe
07- Drive System, Front
07- Front Suspension
07- Steering
08- Drive Shaft
08- Drive System, Rear
08- Rear Suspension
09- Body And Accessories 1
09- Body And Accessories 2
09- Body And Accessories 3
09- Body And Accessories 4
09- Decals
09- Fender And Central Panel Kit
09- Frame
09- Front and Rear Trays
09- Seat
10- Electrical Accessories 1
10- Electrical Accessories Europe
10- Electrical System
10- Engine Harness And Electronic Module
10- Main Harness Europe XT
10- Main Harness STD
10- Main Harness XT
Fuel Your Passion
Parts That Keep You Riding
Edit ride