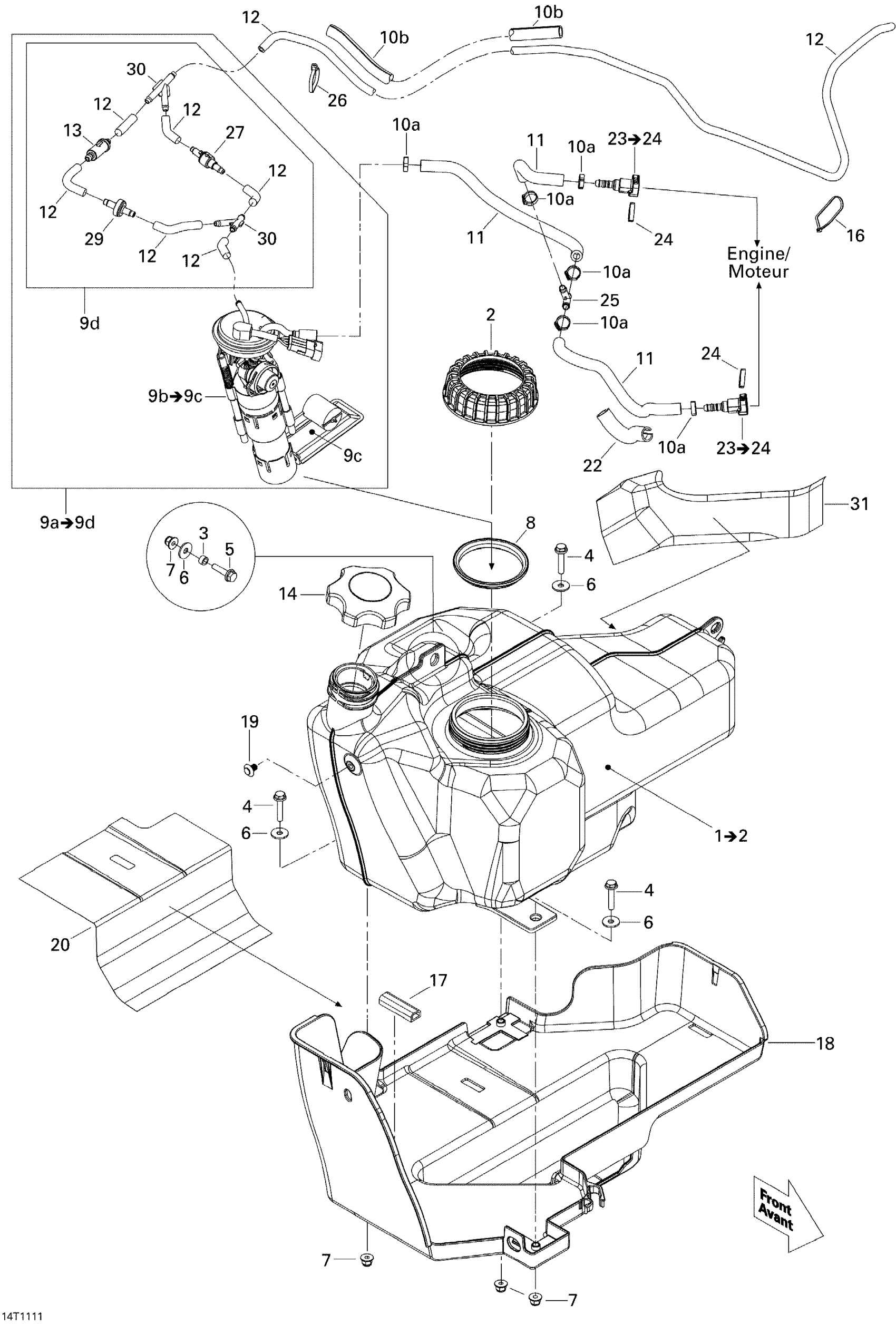
Can-Am Outlander 800R EFI, XMR, 2011 Fuel System Diagram
#
Description
Price
9b
Not Available As Spare Part - Friction Washer
Unavailable
18
TANK PROTECTOR - Call your local BRP dealership
709000207
Unavailable
19
PLASTIC TUKLOCK RIVET - Call your local BRP dealership
293150168
Unavailable
20
REFLECTING SHEET - Call your local BRP dealership
709000360
Unavailable
31
REFLECTING SHEET - Call your local BRP dealership
709000204
Unavailable
