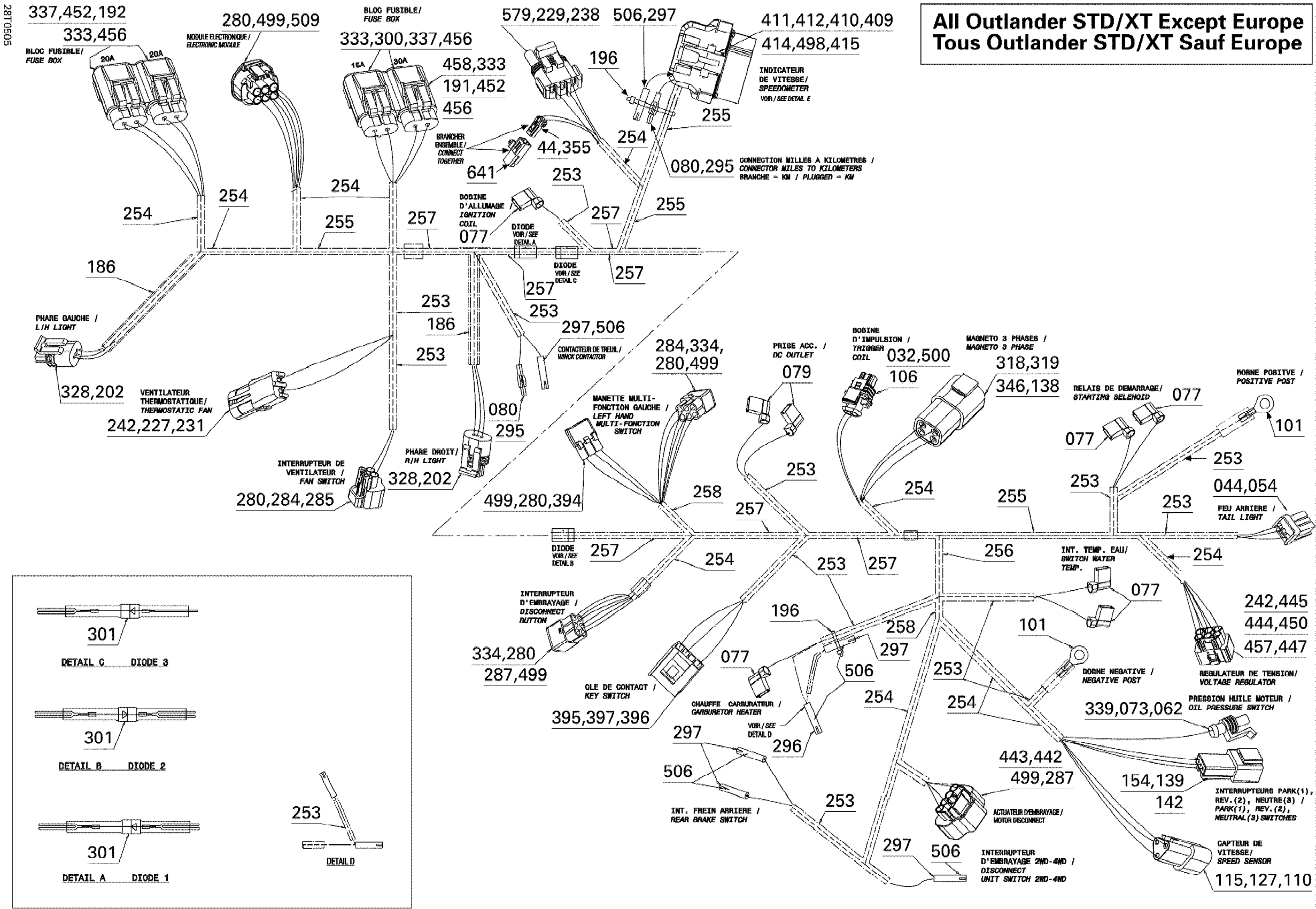
Can-Am Outlander 400 XT 4 X 4, 2005 Main Harness Diagram
#
Description
Price
1
Main Harness Ass'y | Includes 1 To 641 (Except Europe)
710000713
Unavailable
139
MALE TERMINAL - Call your local BRP dealership
409014800
Unavailable
142
MALE HOUSING, 3 CIRCUITS - Call your local BRP dealership
710000044
Unavailable
154
MALE LOCK, 3 CIRCUITS - Call your local BRP dealership
710000043
Unavailable
285
HOUSING-TAB - Call your local BRP dealership
710000078
Unavailable
301
Not Available As Spare Part - Friction Washer
Unavailable
318
FEMALE HOUSING, 4 CIRCUITS - Call your local BRP dealership
278001477
Unavailable
328
MALE TERMINAL HOUSING, 3 CIRCUITS - Call your local BRP dealership
278001467
Unavailable
336
Rubber Envelope Terminal
710000115
Unavailable
338
FEMALE TERMINAL - Call your local BRP dealership
710000114
Unavailable
346
MALE WEDGE, 4 CIRCUITS - Call your local BRP dealership
278001478
Unavailable
394
Female Terminal Housing, 3 Circuits
710000275
Unavailable
410
FEMALE TERMINAL HOUSING, 24 CIRCUITS - Call your local BRP dealership
409204600
Unavailable
414
LOCK - Call your local BRP dealership
515175805
Unavailable
435
FEMALE TERMINAL - Call your local BRP dealership
409009500
Unavailable
444
MALE TERMINAL HOUSING, 6 CIRCUITS - Call your local BRP dealership
710000336
Unavailable
445
JOINT SEAL - Call your local BRP dealership
710000337
Unavailable
447
SECONDARY LOCK - Call your local BRP dealership
710000339
Unavailable
450
CAP - Call your local BRP dealership
710000343
Unavailable
452
HOUSING COVER - Call your local BRP dealership
710000342
Unavailable
457
FEMALE TERMINAL - Call your local BRP dealership
710000356
Unavailable
500
WIRE SEAL - Call your local BRP dealership
710000403
Unavailable
509
Female Terminal Housing, 6 Circuits
710000474
Unavailable
