- Partiron
- OEM Parts
- Honda
- MOTORCYCLE
- 1982
- NX50MA (82) EXPRESS SR, JPN, VIN# JH2AB040-CS100002
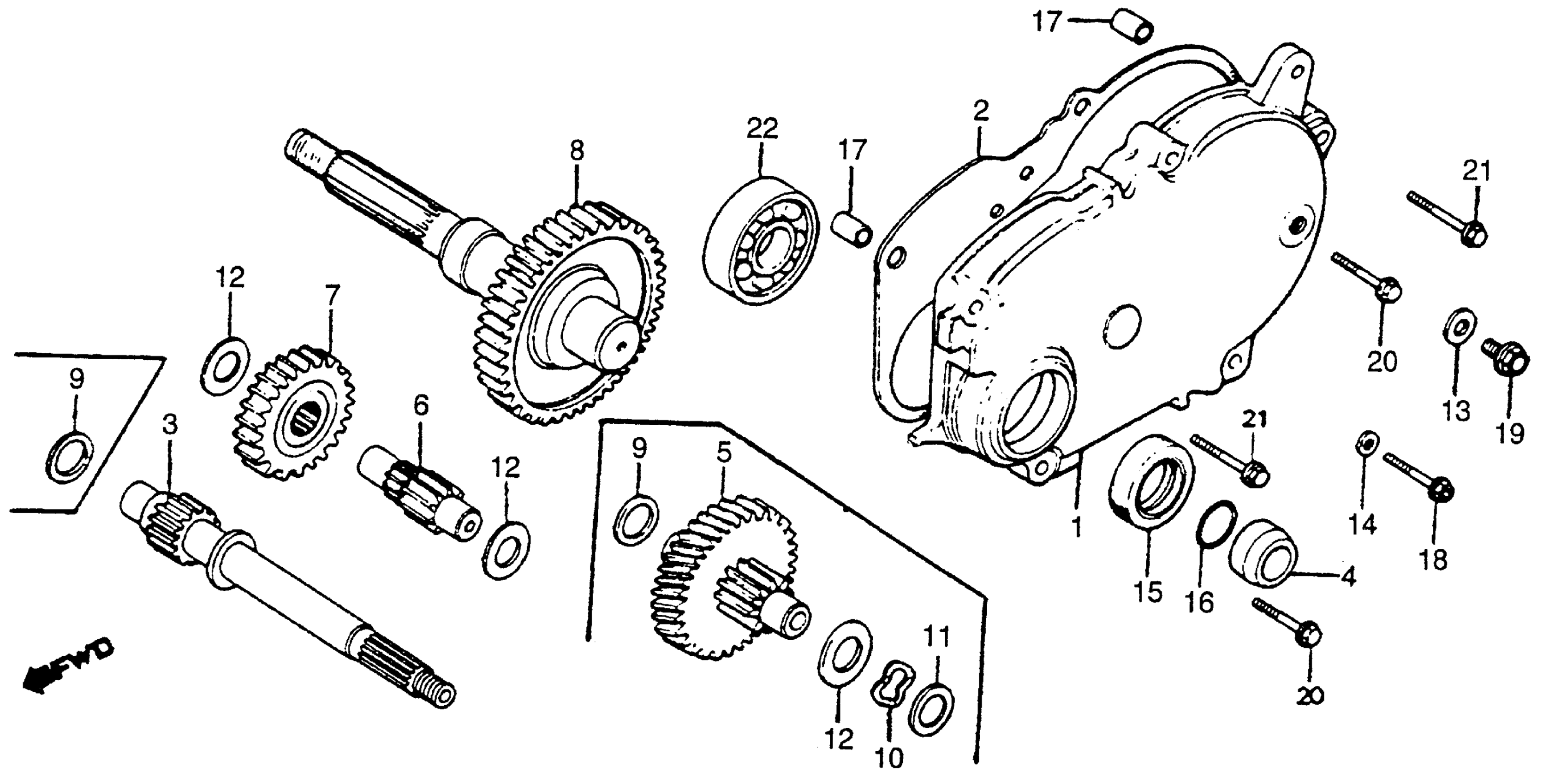
TRANSMISSION
Honda NX50MA (82) EXPRESS SR, JPN, VIN# JH2AB040-CS100002 TRANSMISSION Diagram
#
Description
Price
1
COVER, TRANSMISSION (NOT AVAILABLE)
21301-187-671
Unavailable
2
GASKET, TRANS CVR This part replaces 21395-187-000.
21395-187-306
Unavailable
3
DRIVESHAFT (NOT AVAILABLE)
23411-GA7-700
Unavailable
6
COUNTERSHAFT (NOT AVAILABLE)
23421-GA7-000
Unavailable
7
GEAR, COUNTER (NOT AVAILABLE)
23422-GA7-000
Unavailable
8
GEAR, FINAL (NOT AVAILABLE)
23430-187-010
Unavailable
15
OIL SEAL (15X30X5) (NOT AVAILABLE) This part replaces 91204-GA7-005.
91204-GE8-005
Unavailable
19
BOLT, FLANGE (10X12) (SOURCE: VINTAGE PARTS INC.) This part replaces 95700-10012-00.
95701-10012-00
$3.33
22
BEARING, RADIAL BALL (6202)
96100-62023-00
Unavailable
