- Partiron
- OEM Parts
- Honda
- MOTOR SCOOTER
- 2005
- NSS250AAC (05) REFLEX, JPN, VIN# JH2MF064-5K300001 TO JH2MF064-5K399999
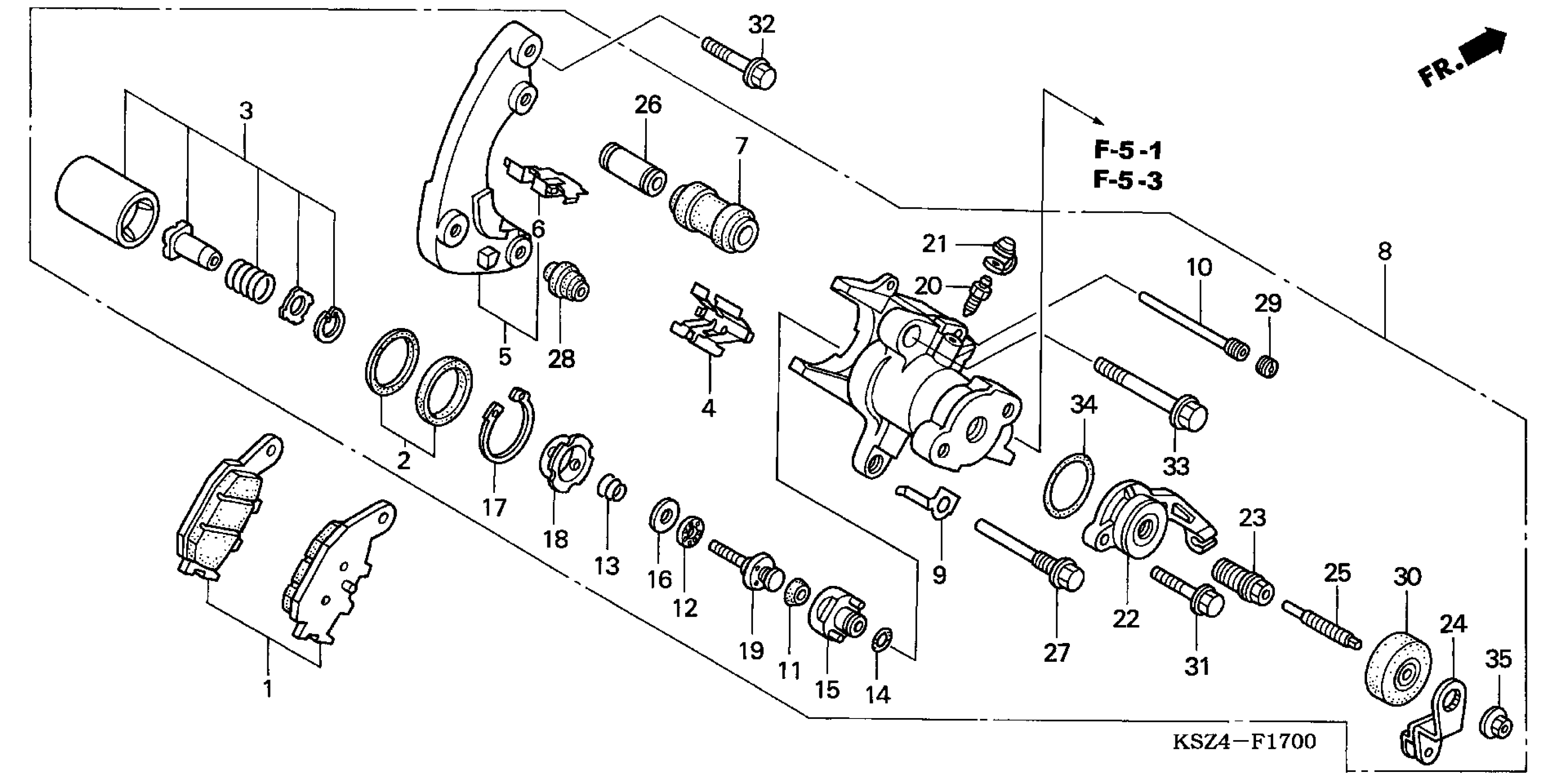
REAR BRAKE CALIPER
Honda NSS250AAC (05) REFLEX, JPN, VIN# JH2MF064-5K300001 TO JH2MF064-5K399999 REAR BRAKE CALIPER Diagram
#
Description
Price
1
PAD SET, RR. This part replaces 06435-KPB-016.
06435-KPB-026
Unavailable
1
PAD SET, RR.
06435-KPB-026
Unavailable
3
PISTON ASSY.
43107-KPB-006
Unavailable
5
BRACKET, RR.
43110-KPB-006
Unavailable
7
BOOT, SLEEVE
43132-KFG-J21
Unavailable
8
CALIPER SUB-ASSY., RR. (NISSIN)
43150-KPB-016
Unavailable
9
INDICATOR, RR.
43213-KPB-006
Unavailable
22
LOCK, BRAKE
43360-KPB-006
Unavailable
