- Partiron
- OEM Parts
- Honda
- MOTOR SCOOTER
- 1985
- NQ50A (85) SPREE, JPN, VIN# JH2AF060-FS100001 TO JH2AF060-FS164615
SPEEDOMETER + TACHOMETER 84-86
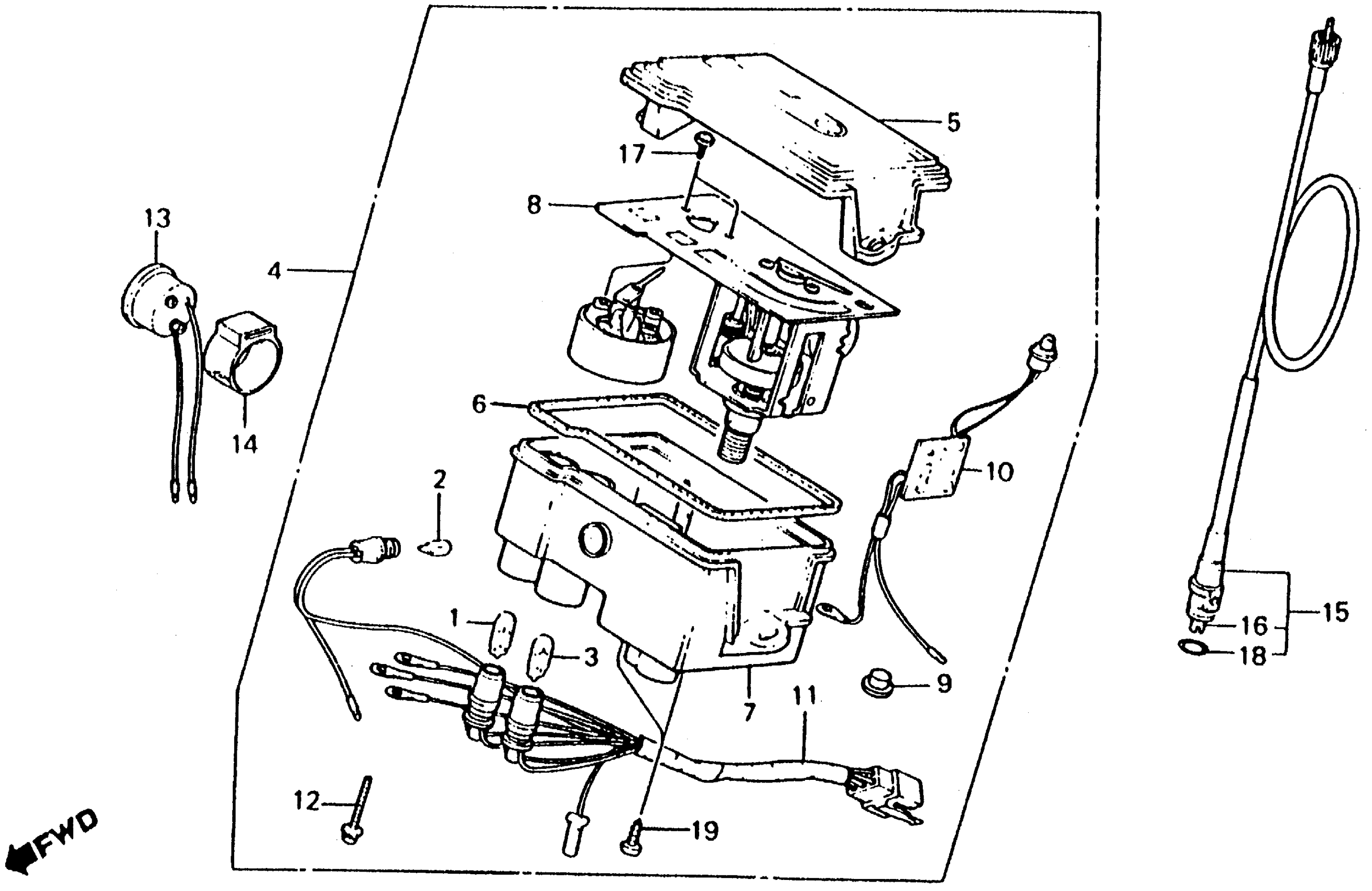
Honda NQ50A (85) SPREE, JPN, VIN# JH2AF060-FS100001 TO JH2AF060-FS164615 SPEEDOMETER + TACHOMETER 84-86 Diagram
#
Description
Price
4
SPEEDOMETER ASSY. (NIPPON)
37200-GK8-771
Unavailable
5
LENS ASSY. (NOT AVAILABLE) This part replaces 37202-GK8-671.
37202-GK8-920
Unavailable
6
GASKET
37203-GJ5-008
Unavailable
7
CASE ASSY. (NOT AVAILABLE)
37204-GK8-671
Unavailable
8
SPEEDOMETER (NIPPON)
37210-GK8-771
Unavailable
9
CAP
37211-GJ6-003
Unavailable
10
INDICATOR ASSY., L.E.D. (NOT AVAILABLE)
37215-GK8-671
Unavailable
11
WIRE
37223-GK8-671
Unavailable
15
CABLE, SPEEDOMETER This part replaces 44830-GK8-870.
44830-GK8-871
Unavailable
15
CABLE, SPEEDOMETER
44830-GK8-871
Unavailable
15
CABLE, SPEEDOMETER This part replaces 44830-GK8-670.
44830-GK8-871
Unavailable
16
CABLE (INNER)
44831-GK8-670
Unavailable
17
SCREW, FLANGE (4X8)
90101-GC8-008
Unavailable
18
O-RING (8.8X1.5)
91312-PH7-000
Unavailable
18
O-RING (8.5X1.5) This part replaces 91352-671-003.
91312-PH7-000
Unavailable
18
O-RING (8.5X1.5) This part replaces 91352-671-004.
91312-PH7-000
Unavailable
19
SCREW, TAPPING (5X20)
93903-25410
Unavailable
