- Partiron
- OEM Parts
- Polaris
- ATV
- 1994
- NORWEGIAN 400L 6X6 - N948740
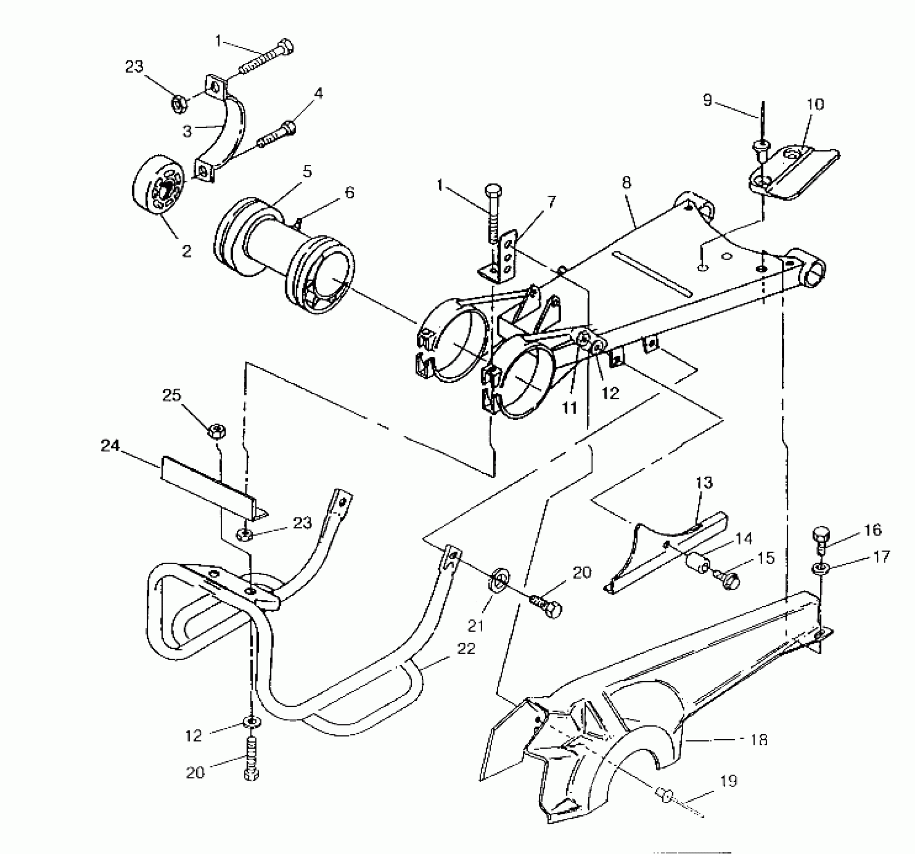
SWING ARM/GUARD MOUNTING 6x6 400L, SWEDISH S948740 and NORWEGIAN N948740 (4926812681030A)
Polaris NORWEGIAN 400L 6X6 - N948740 SWING ARM/GUARD MOUNTING 6x6 400L, SWEDISH S948740 and NORWEGIAN N948740 (4926812681030A) Diagram
#
Description
Price
1
BOLT(10)
7512569
Unavailable
1
BOLT(10)
7512569
Unavailable
3
BRKT,SWING ARM EXT.
1580067-067
Unavailable
5
HOUSING, AXLE
5130663
Unavailable
7
BRKT,CHAIN GUARD,BLK.
5222220-067
Unavailable
8
Weld., Swing Arm (See Pg. A34, Ref. 17)
-------
Unavailable
16
SCREW(10)
7512252
Unavailable
17
WASHER(10) Substituted by 7558301
7555776
Unavailable
18
GUARD, CHAIN Substituted by 5431102
2640009
Unavailable
22
GUARD, RACK Substituted by 1040183-132
1040183-067
Unavailable
