- Partiron
- OEM Parts
- Polaris
- ATV
- 1994
- NORWEGIAN 400L 6X6 - N948740
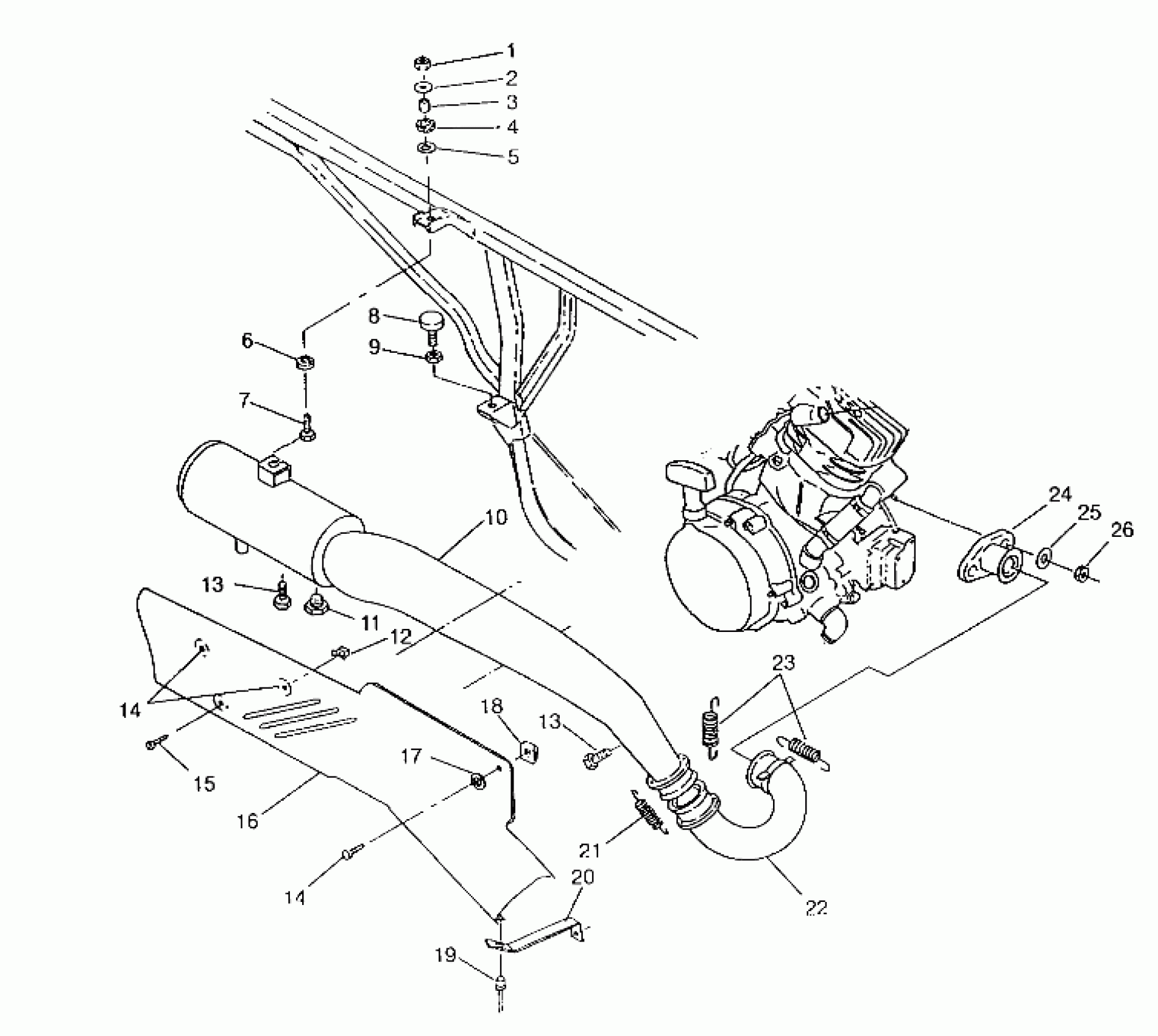
EXHAUST SYSTEM 6x6 400L, SWEDISH S948740 and NORWEGIAN N948740 (4926812681008A)
Polaris NORWEGIAN 400L 6X6 - N948740 EXHAUST SYSTEM 6x6 400L, SWEDISH S948740 and NORWEGIAN N948740 (4926812681008A) Diagram
#
Description
Price
5
BUSHING(10)
7555781
Unavailable
6
DAMPENER
5410241
Unavailable
8
MOUNT, MOTOR
3110030
Unavailable
10
EXHAUST WELD,(350-6X6)BLK.
1260616-029
Unavailable
12
NUT, RETAINER(10)
7542141
Unavailable
16
HEATSHIELD ASM. (Incl. Foam & Foil)
1260620
Unavailable
17
WASHER(10) Substituted by 7558301
7555776
Unavailable
20
BRKT,BLK,HEATSHIELD
5240179-067
Unavailable
22
HEADPIPE WELD.
1260549-029
Unavailable
24
MANIFOLD, BLK.
1260543-029
Unavailable
26
NUT(10)
3080285
Unavailable
