- Partiron
- OEM Parts
- Polaris
- ATV
- 1994
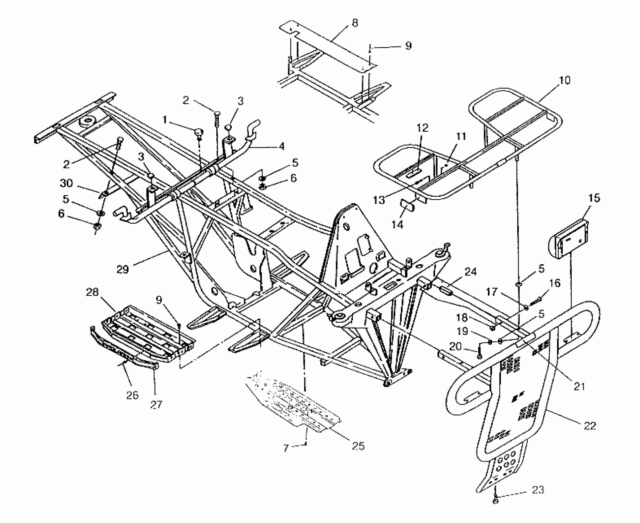
- NORWEGIAN 400L 6X6 - N948740
BUMPER/RACK MOUNTING 6x6 400L, SWEDISH S948740 and NORWEGIAN N948740 (4926812681003A)
Polaris NORWEGIAN 400L 6X6 - N948740 BUMPER/RACK MOUNTING 6x6 400L, SWEDISH S948740 and NORWEGIAN N948740 (4926812681003A) Diagram
#
Description
Price
3
PLUG,RUBBER-HOLE,.5DIA(10) Substituted by 5411426
5410012
Unavailable
3
PLUG,RUBBER-HOLE,.5DIA(10) Substituted by 5411426
5410012
Unavailable
4
LEVER, BOX, RED
1040291-093
Unavailable
10
RACK,FRT.BLK.
2670137-067
Unavailable
13
SCREW(10)
7515355
Unavailable
15
HEADLIGHT ASM (35.5W)
4032067
Unavailable
21
DECAL,MACPHERSON STRUT
7074220
Unavailable
22
BUMPER,FRONT,BLK. Substituted by 2670190-067
2670148-067
Unavailable
23
SCREW(10)
7512252
Unavailable
24
PLUG, FRAME
5810467
Unavailable
27
Trim, Footrest
5431484
Unavailable
28
FOOTPAD,RH,SILVER
1040351-117
Unavailable
