- Partiron
- OEM Parts
- Polaris
- ATV
- 1994
- NORWEGIAN 400L 4X4 - N948140
OIL PUMP SWEDISH 4x4 400L S948140 (4926912691D002)
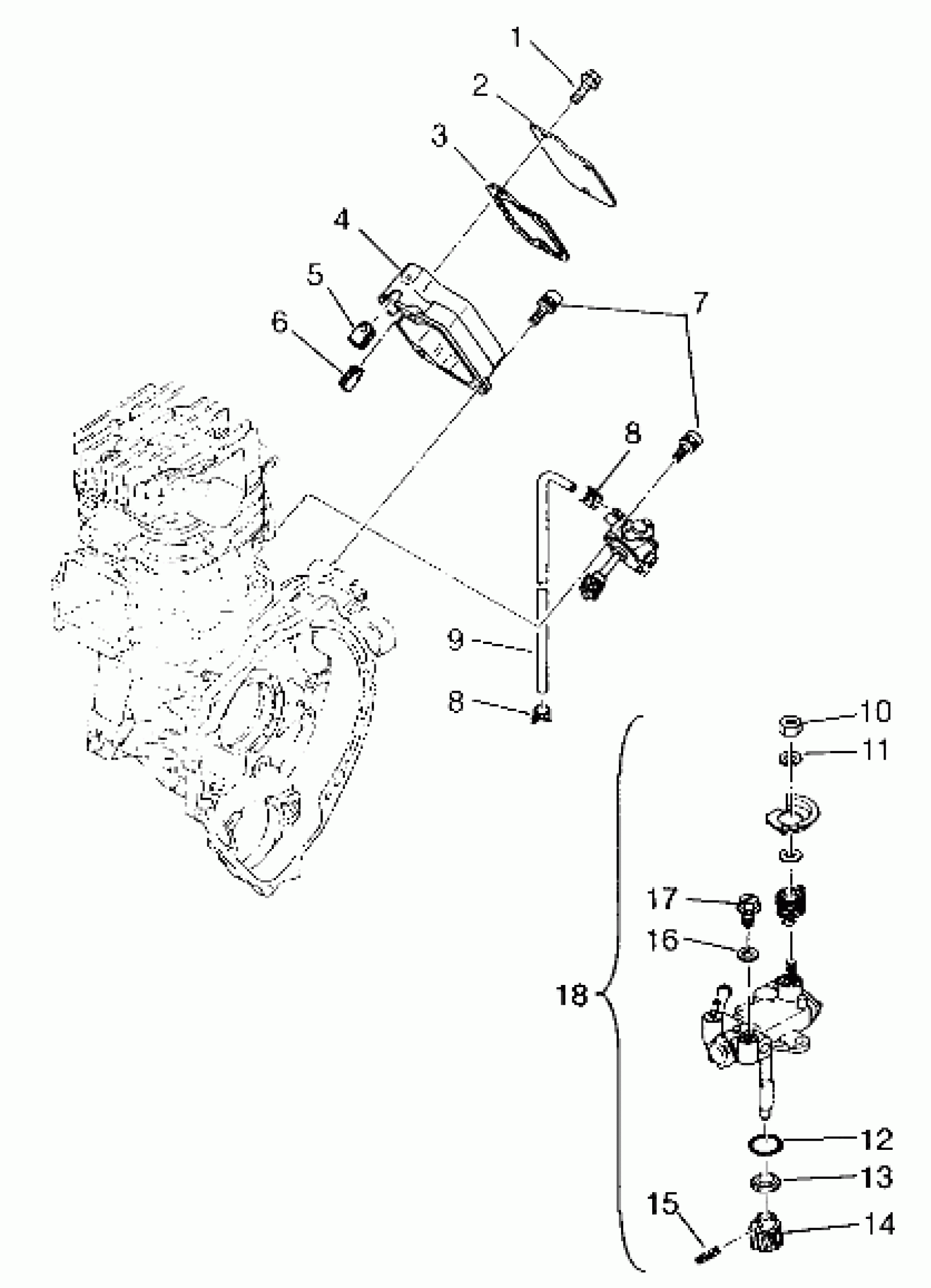
Polaris NORWEGIAN 400L 4X4 - N948140 OIL PUMP SWEDISH 4x4 400L S948140 (4926912691D002) Diagram
#
Description
Price
2
COVER (Oil Pump Case)
3084204
Unavailable
3
GASKET,OIL PUMP (Oil Pump Case)
3084401
Unavailable
4
CASE, OIL PUMP (Oil Pump)
3084756
Unavailable
5
GROMMET Substituted by 3086777
3084201
Unavailable
6
GROMMET Substituted by 3086779
3084758
Unavailable
9
PIPE, RUBBER Substituted by 3086776
3084199
Unavailable
12
O RING
3083127
Unavailable
13
Spacer
3084195
Unavailable
14
Wheel
3084196
Unavailable
15
Pin, Spring
3084197
Unavailable
17
SCREW-AIR VENT
3083125
Unavailable
18
PUMP, OIL (Incl. 10-17)
3084755
Unavailable
