- Partiron
- OEM Parts
- Sea-doo
- Watercraft
- 2025
- RXP Series
- RXP X 325 - 2025
- RXP - 325 - X - 23SB - Ice Metal - Audio, 2025
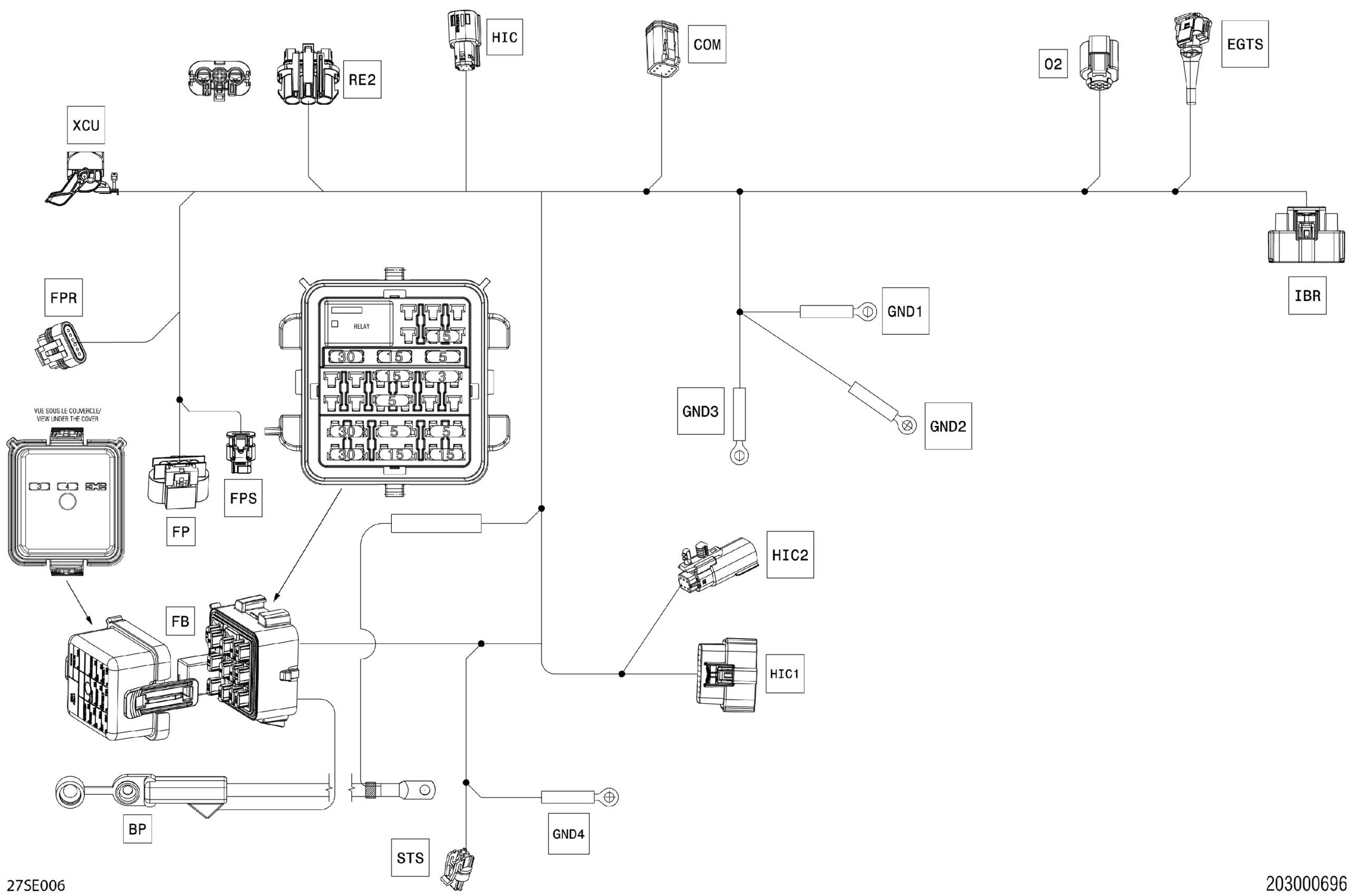
Electric - Main Harness - 278004456
Sea-doo RXP - 325 - X - 23SB - Ice Metal - Audio, 2025 Electric - Main Harness - 278004456 Diagram
#
Description
Price
