- Partiron
- OEM Parts
- Can-Am
- ATV
- 2026
- Outlander Series
- Outlander MAX 850 4X4 - 2026
- OUT-MAX - 4X4 - XT - 850 - 4STK - CALI - Platinum Silver Satin - 2026
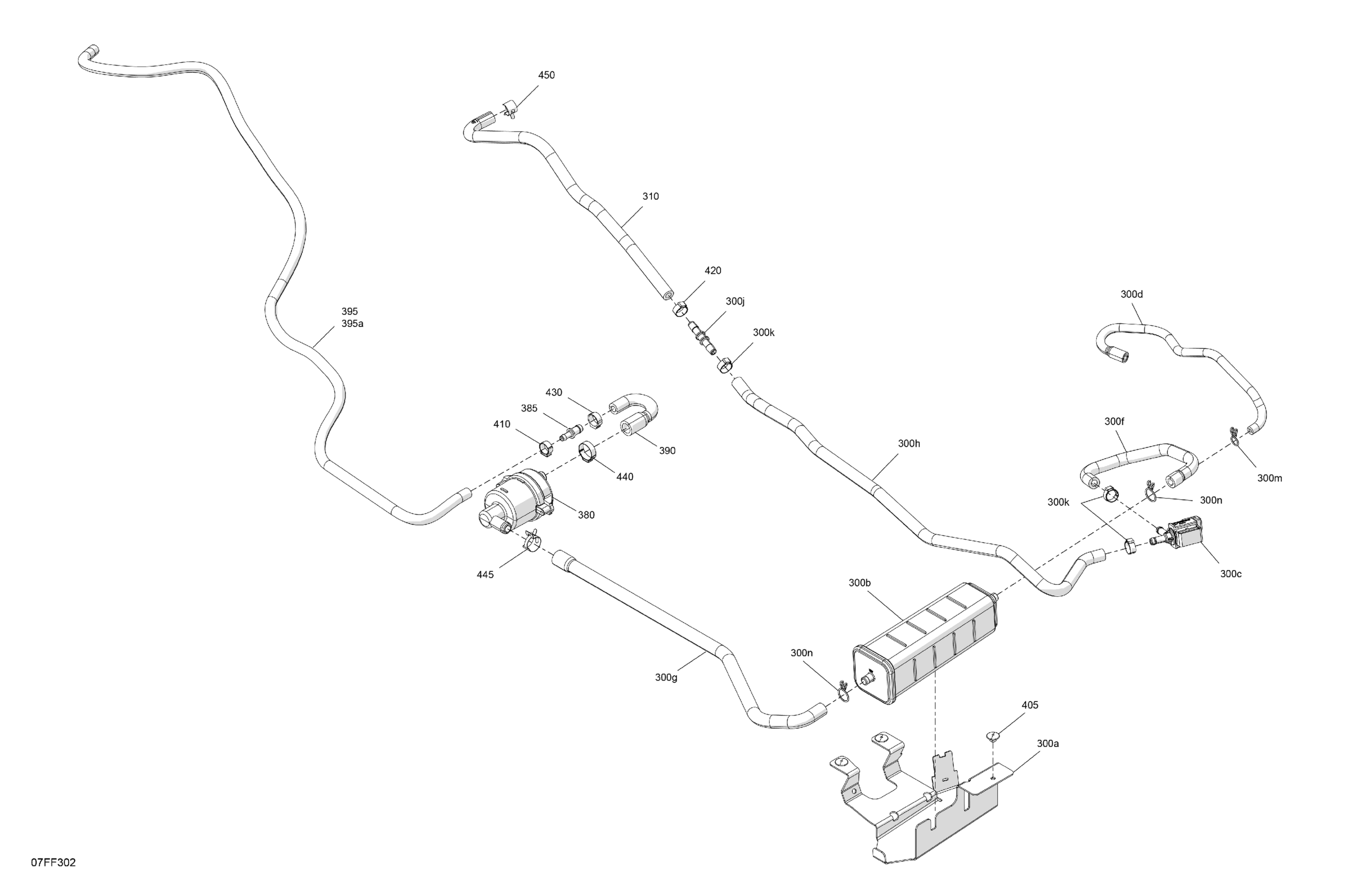
Engine - Canister Charcoal Ass'y
Can-Am OUT-MAX - 4X4 - XT - 850 - 4STK - CALI - Platinum Silver Satin - 2026 Engine - Canister Charcoal Ass'y Diagram
#
Description
Price
395a
Not Available As Spare Parts
XXX
Unavailable
