- Partiron
- OEM Parts
- Can-Am
- SXS
- 2026
- SSV - Maverick Series
- Maverick Turbo - X - 2026
- Maverick - TURBO - X - 8JTM - Granite Grey - 64" Width - CALI, 2026
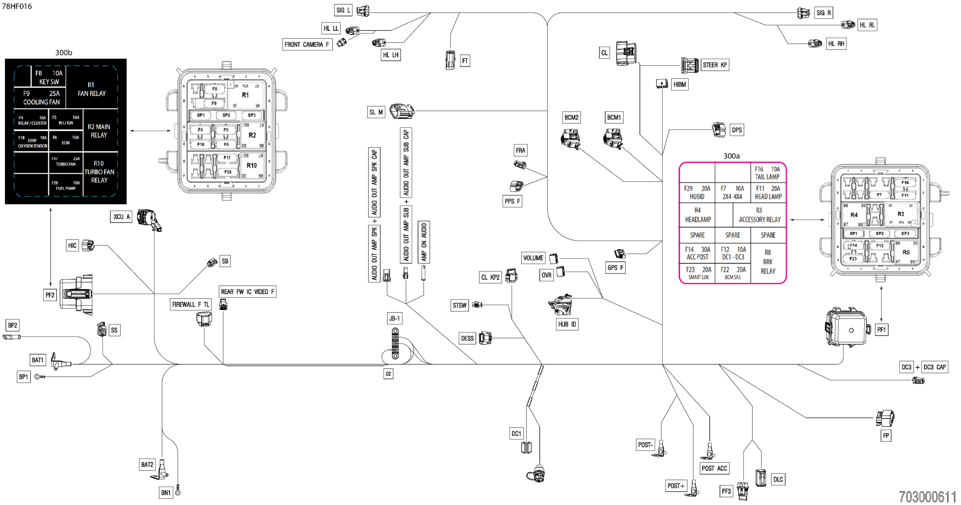
Electric - Main Harness - 710010748
Can-Am Maverick - TURBO - X - 8JTM - Granite Grey - 64" Width - CALI, 2026 Electric - Main Harness - 710010748 Diagram
#
Description
Price
FL-1
Fuse Link
710004228
Unavailable
FL-2
Fuse Link
710004228
Unavailable
JB-1
Junction Bloc
710006609
Unavailable
