- Partiron
- OEM Parts
- Can-Am
- Can-Am SXS
- 2024
- 008 - SSV - North America - Maverick Sport Series
- 002 - Maverick Sport 1000R - XMR - North America
- North America - Maverick Sport 1000R - XMR - 6FRA - Hyper Silver - 64" Width, 2024
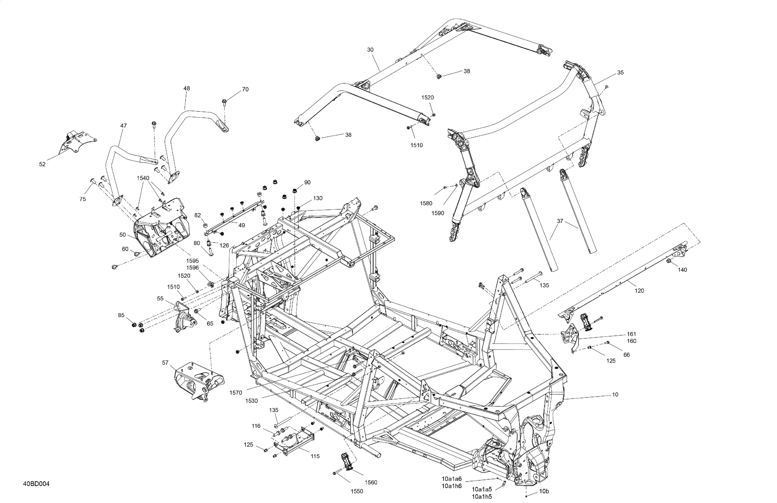
06- Frame - System
Can-Am North America - Maverick Sport 1000R - XMR - 6FRA - Hyper Silver - 64" Width, 2024 06- Frame - System Diagram
#
Description
Price
52
Front Anchorage Ass'y
705211909
Unavailable
