- Partiron
- OEM Parts
- Ski-Doo
- 2026
- FREERIDE Series
- FREERIDE 850 E-TEC Turbo R - 165
- FREERIDE - STD - 850 E-TEC Turbo R - VDTE - Deep Black - 15X165X3P4 Track, 2026
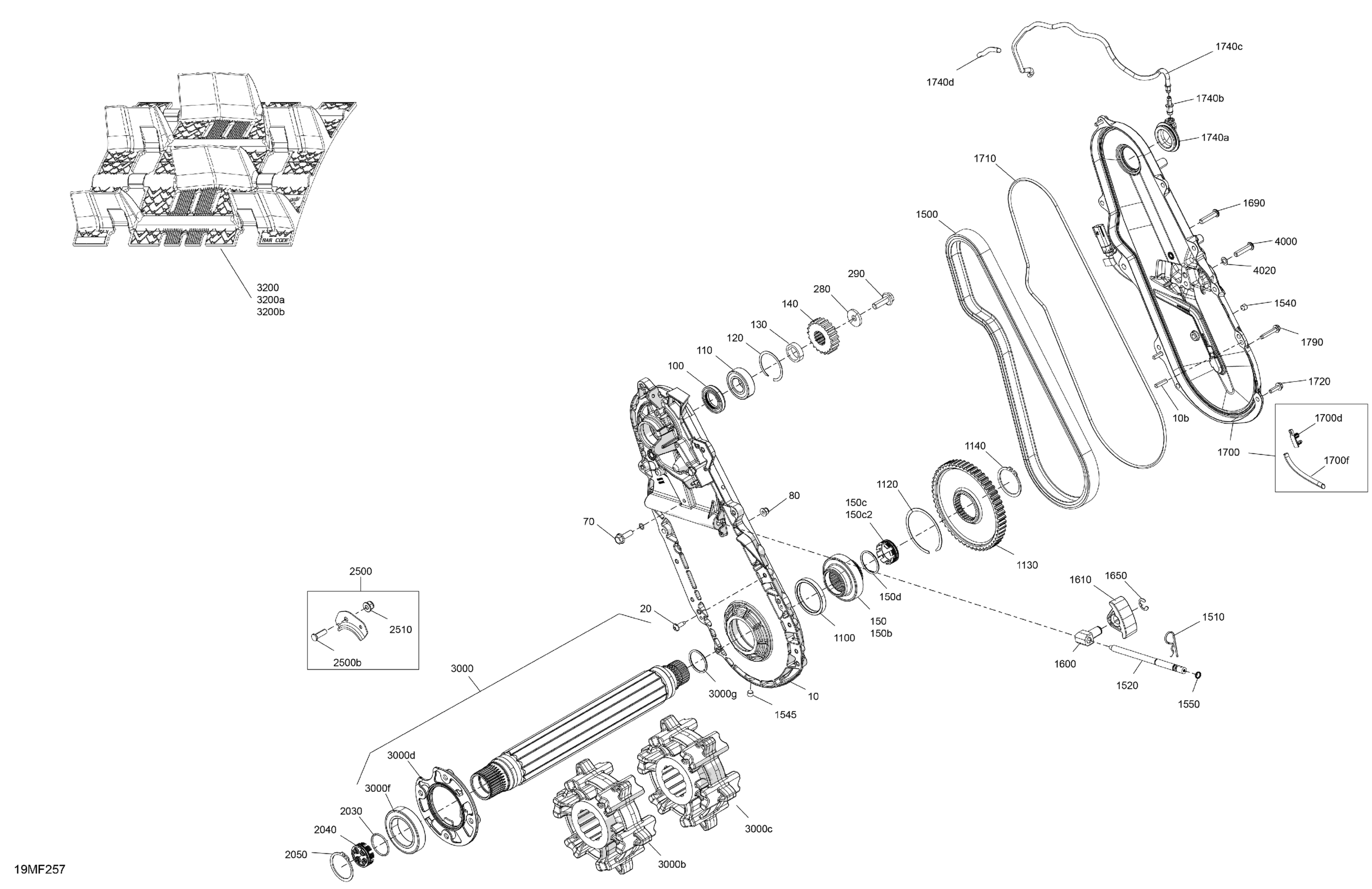
Drive - System
Ski-Doo FREERIDE - STD - 850 E-TEC Turbo R - VDTE - Deep Black - 15X165X3P4 Track, 2026 Drive - System Diagram
#
Description
Price
