- Partiron
- OEM Parts
- Ski-Doo
- 2025
- FREERIDE Series
- FREERIDE 850 E-TEC Turbo R - 154
- FREERIDE - 850 E-TEC Turbo R - 154 - VDSB - Flare Yellow HG - 154X15X3P4 Track - 2025
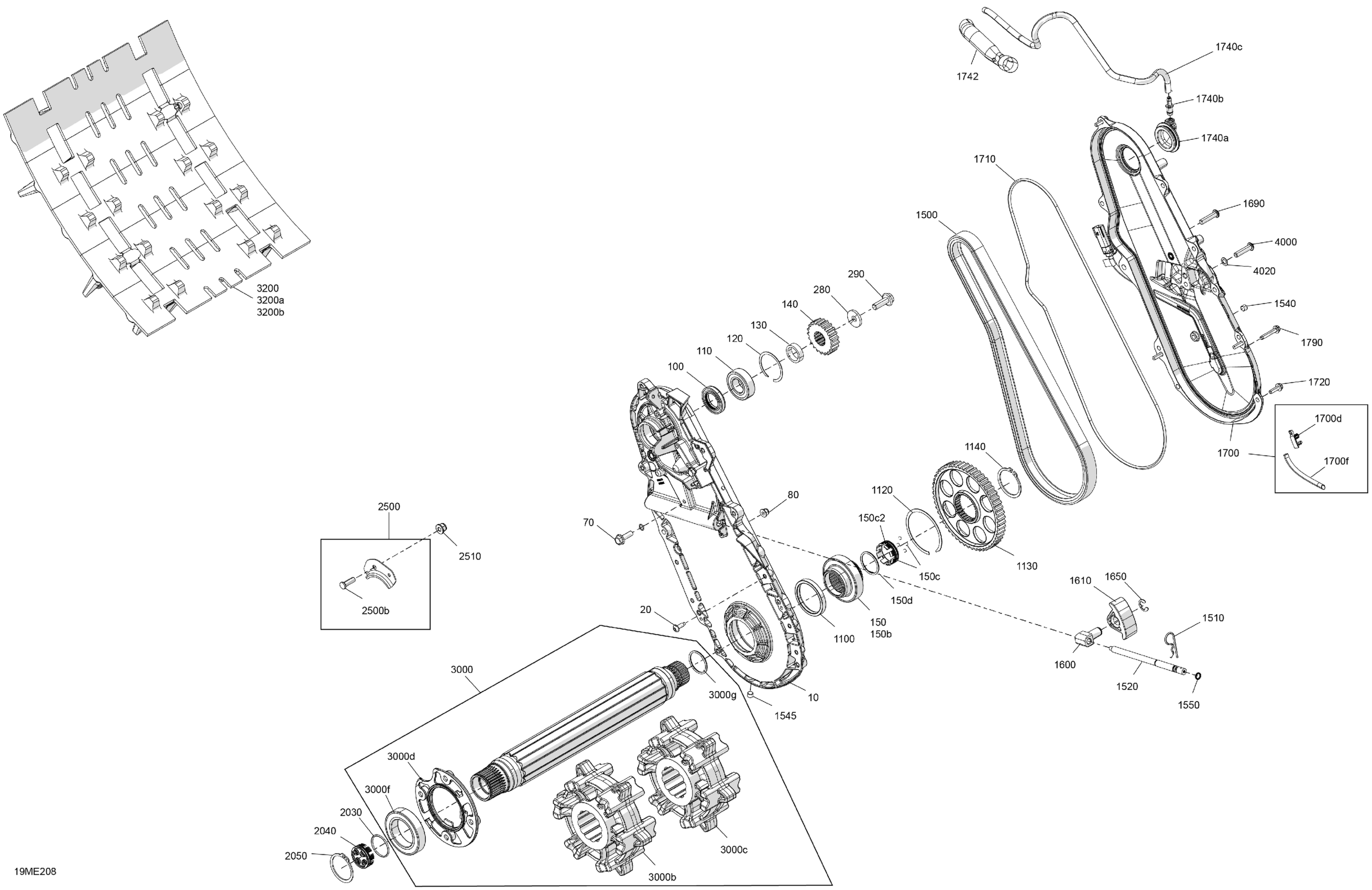
Drive - System
Ski-Doo FREERIDE - 850 E-TEC Turbo R - 154 - VDSB - Flare Yellow HG - 154X15X3P4 Track - 2025 Drive - System Diagram
#
Description
Price
1740c
Hose 5.7MM - 630MM
219704539
Unavailable
