- Partiron
- OEM Parts
- Can-Am
- Wheel Vehicles
- 2024
- F3 Series
- F3 T - 2024
- F3 T - H6RA - T - White Pearl, 2024
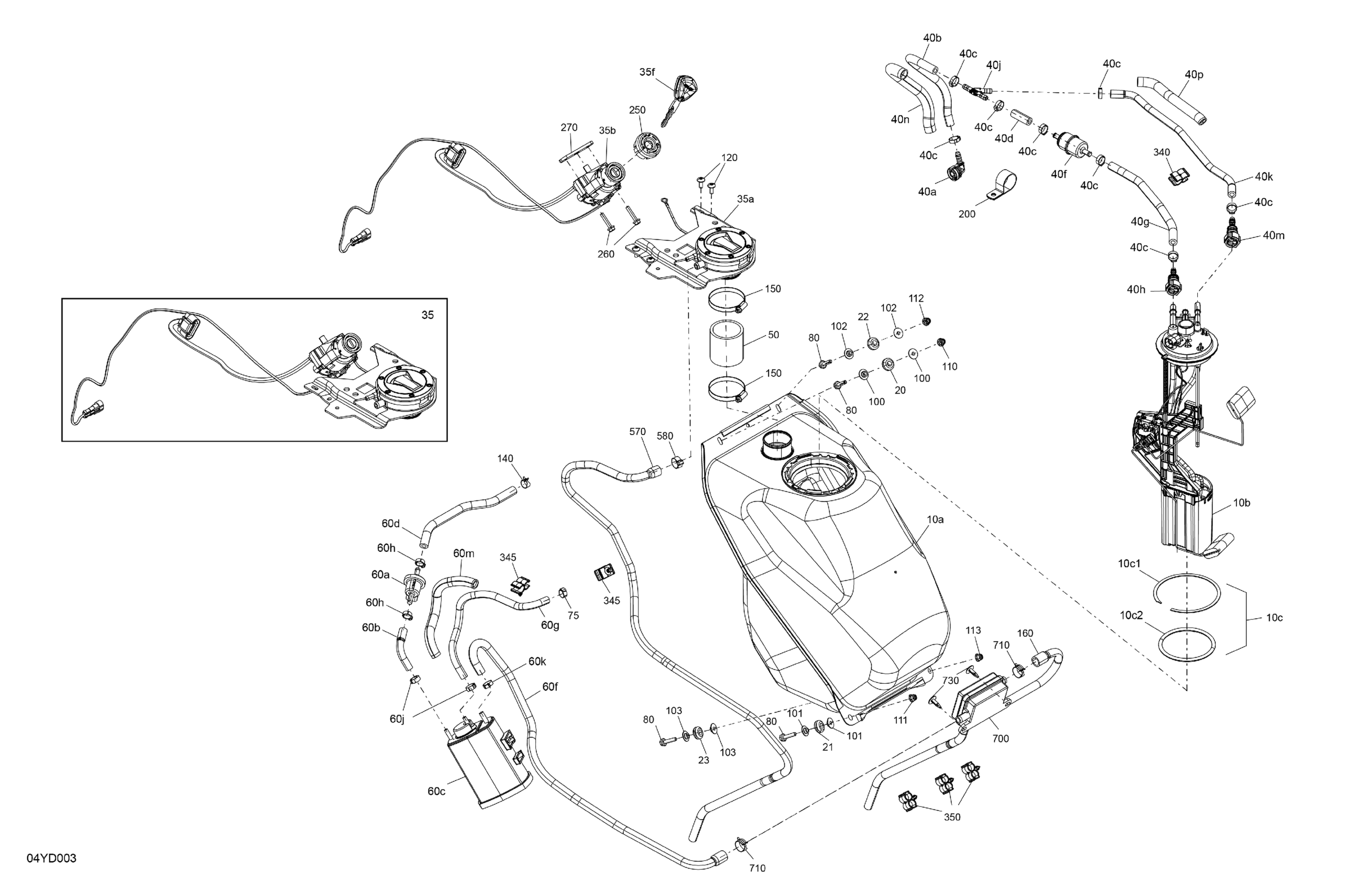
Engine - Fuel
Can-Am F3 T - H6RA - T - White Pearl, 2024 Engine - Fuel Diagram
#
Description
Price
35f
Key
710009973
Unavailable
