- Partiron
- OEM Parts
- Can-Am
- SXS
- 2025
- SSV - Defender HD7 Series
- Defender MAX HD7 - DPS - 2025
- Defender Max - HD7 - DPS - 8ASH - Wildland Camo - 62" Width CALI, 2025
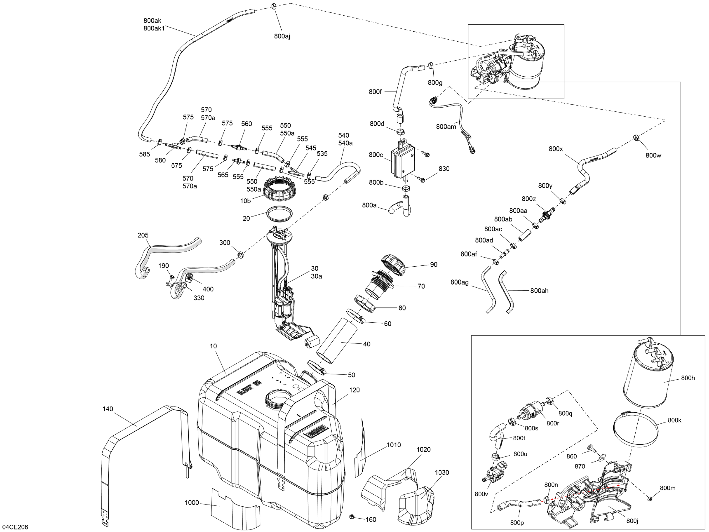
Engine - Fuel
Can-Am Defender Max - HD7 - DPS - 8ASH - Wildland Camo - 62" Width CALI, 2025 Engine - Fuel Diagram
#
Description
Price
