- Partiron
- OEM Parts
- Kawasaki
- motorcycle
- 1996
- Ninja® ZX™-9R
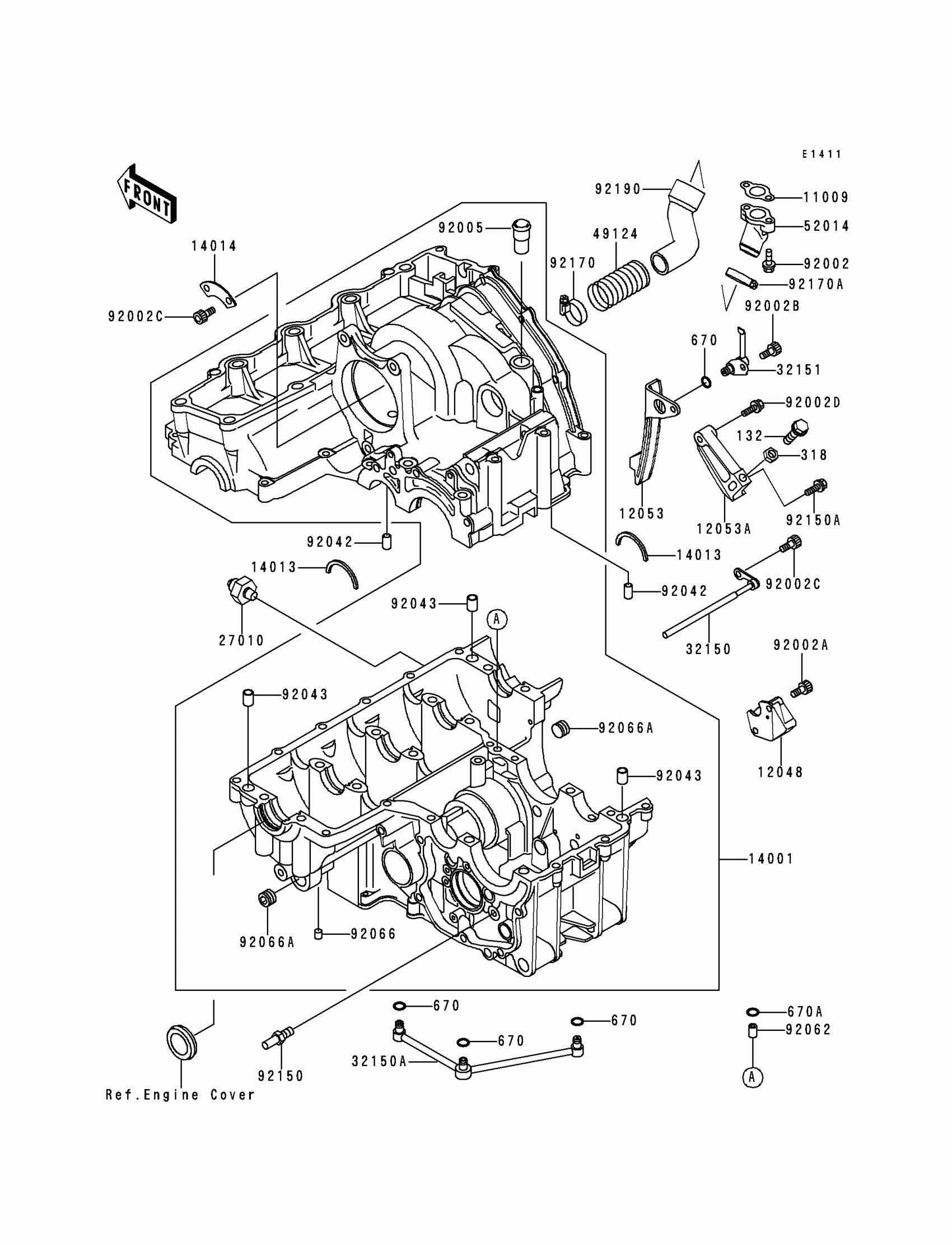
Crankcase
Kawasaki Ninja® ZX™-9R Crankcase Diagram
#
Description
Price
14001
SET-CRANKCASE
14001-1097
Unavailable
92170A
CLAMP,HOSE,32MM
92170-1286
Unavailable
