- Partiron
- OEM Parts
- Kawasaki
- motorcycle
- 1996
- Ninja® ZX™-9R
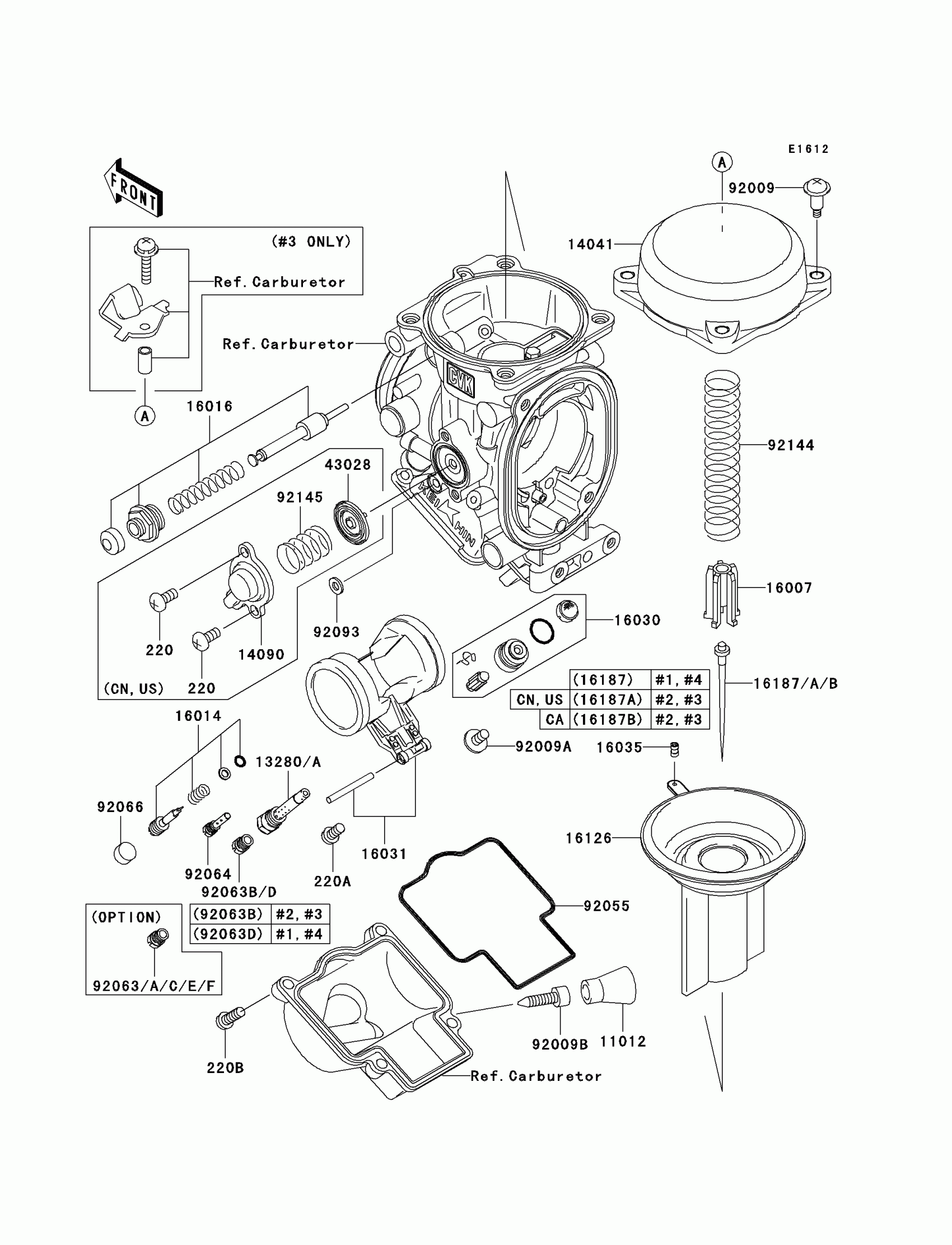
Carburetor Parts
Kawasaki Ninja® ZX™-9R Carburetor Parts Diagram
#
Description
Price
13091
HOLDER,NEEDLE JET,#1
13091-1886
Unavailable
16009
NEEDLE-JET,N67T
16009-1817
Unavailable
16009A
NEEDLE-JET,N67U
16009-1818
Unavailable
92063C
JET-MAIN,#195
92063-1392
Unavailable
92063D
JET-MAIN,#200
92063-1401
Unavailable
92144
SPRING,VACUUM VALVE
92144-1806
Unavailable
