- Partiron
- OEM Parts
- Kawasaki
- motorcycle
- 1992
- Ninja® ZX™-7R
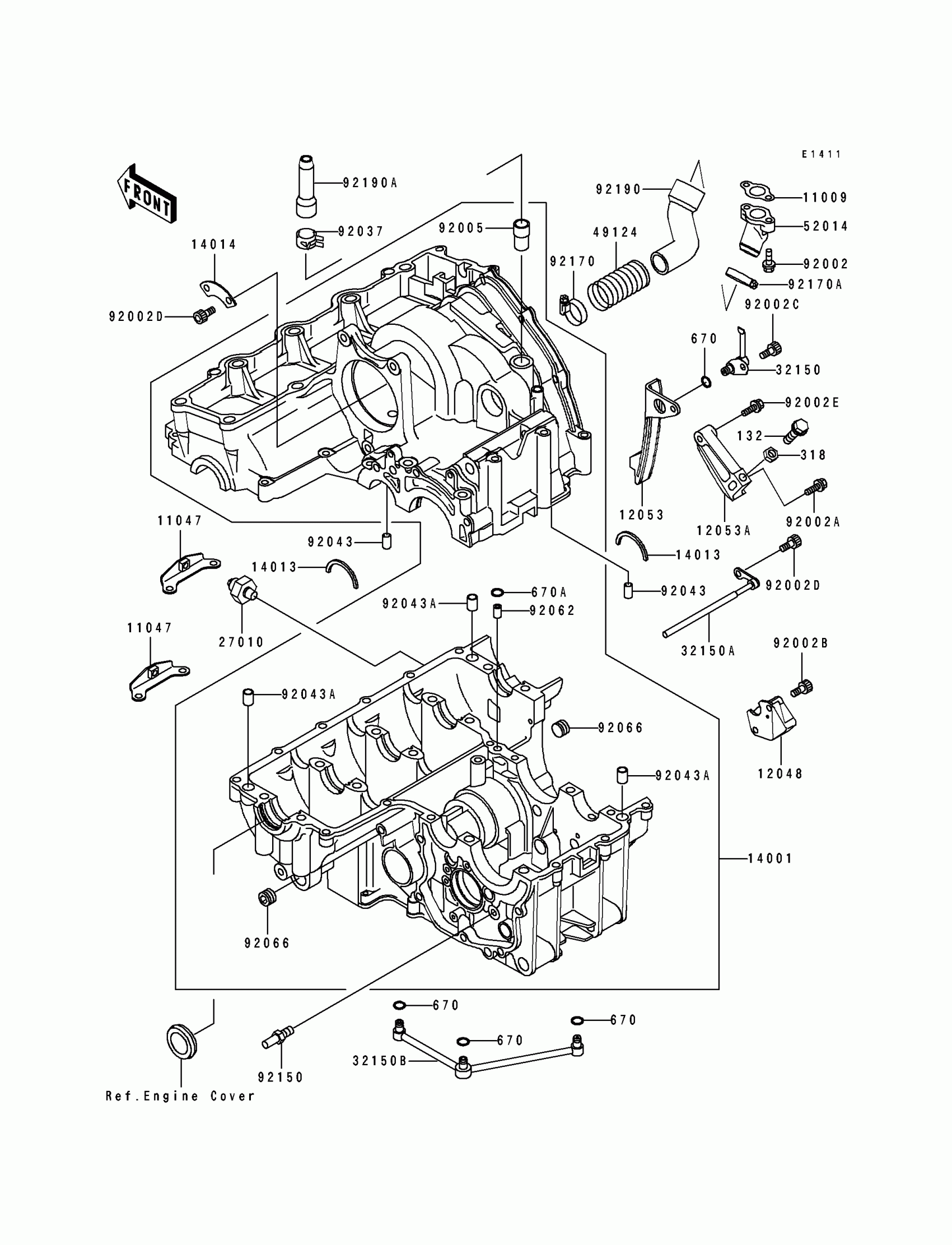
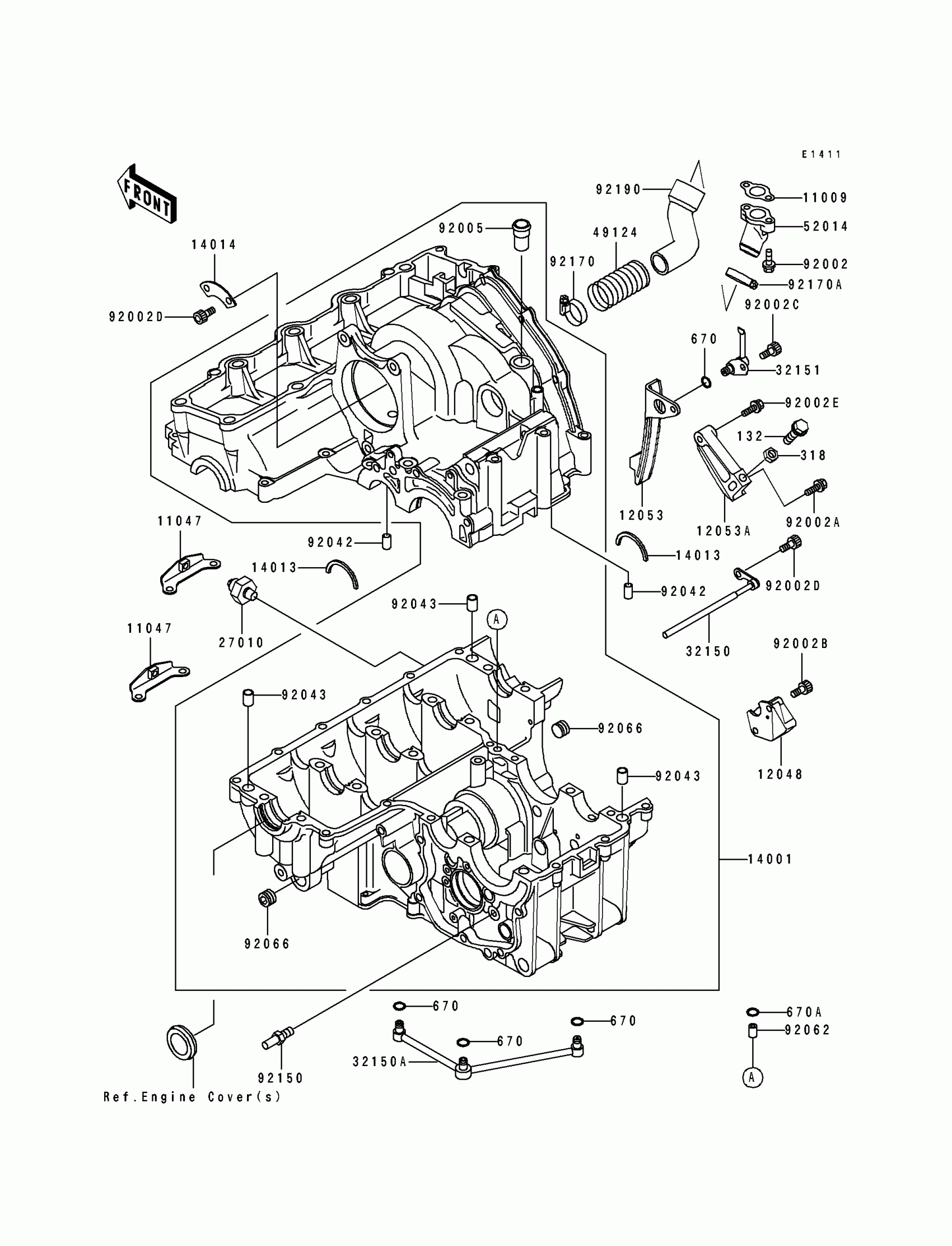
Crankcase
Kawasaki Ninja® ZX™-7R Crankcase Diagram
#
Description
Price
11047
BRACKET,RADIATOR
11047-1236
Unavailable
14001
SET-CRANKCASE
14001-1078
Unavailable
92170A
CLAMP,HOSE,32MM
92170-1286
Unavailable
92190A
TUBE,BREATHER
92190-1245
Unavailable
