- Partiron
- OEM Parts
- Kawasaki
- motorcycle
- 2003
- Ninja® ZX™-6RR
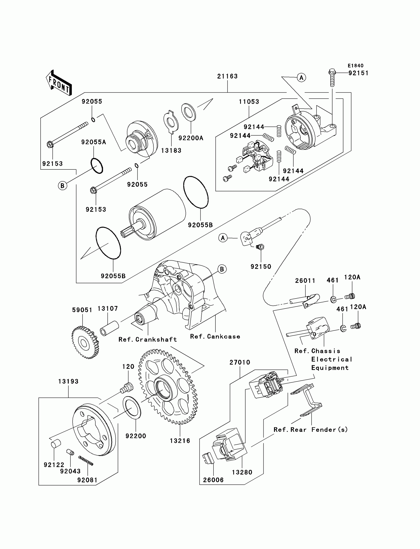
Starter Motor
Kawasaki Ninja® ZX™-6RR Starter Motor Diagram
#
Description
Price
13193
CLUTCH-ASSY-ONEWAY
13193-1066
Unavailable
27010
SWITCH,MAGNETIC
27010-1327
Unavailable
