Partiron

Kawasaki Ninja® ZX™-6RR Stand(s) Diagram

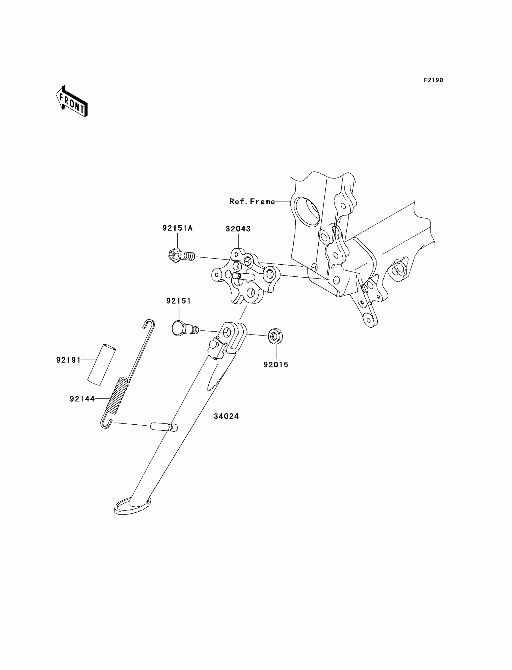
#

Description
Price

32043

BRACKET-STAND

32043-1484

$69.42

34024

STAND-SIDE

34024-0001

$137.59

92015

NUT,LOCK,10MM,BLACK

92015-1188

$6.22

92059

TUBE,14X17X50

92059-1961

$8.79

92144

SPRING,SIDE STAND

92144-1818

$17.44

92151

BOLT,SIDE STAND

92151-1797

$10.24

92151A

BOLT,FLANGED,10X25

92151-1802

$4.83