Partiron

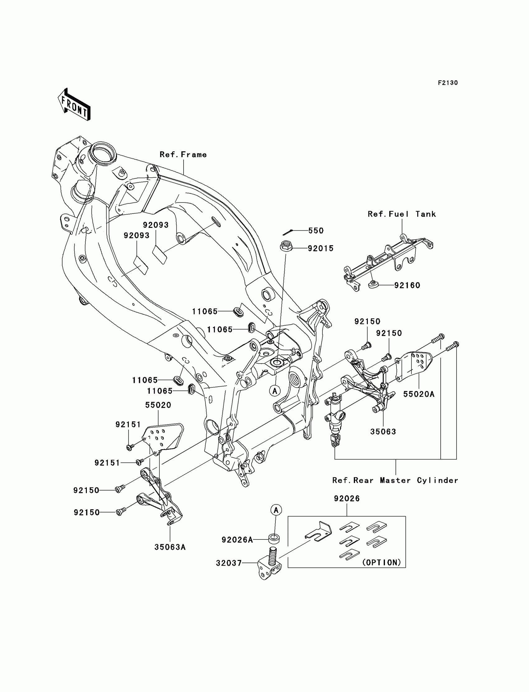
Kawasaki Ninja® ZX™-6RR Frame Fittings(Front) Diagram

#

Description
Price

550

PIN-COTTER,3X25

550S3025

$2.58

11065

CAP

11065-0095

$3.87

32037

BRACKET-SHOCKABSORBER

32037-0045

$29.59

35063

STAY,FR,RH

35063-0143

$137.55

35063A

STAY,FR,LH

35063-0160

$128.54

55020

GUARD,FRONT STEP,LH

55020-0134

$29.32

55020A

GUARD,FRONT STEP,RH

55020-0135

$29.32

92015

NUT,FLANGED,16MM

92015-1881

$23.10

92026

SPACER,SET

92026-0057

$249.31

92026A

SPACER,16.5X26X11

92026-0079

$5.95

92093

SEAL

92093-0034

$6.75

92150

BOLT,SOCKET,8X20

92150-1839

$2.15

92151

BOLT,SOCKET,6X14

92151-1654

$1.83

92160

DAMPER

92160-1396

$5.52