- Partiron
- OEM Parts
- Kawasaki
- motorcycle
- 2012
- NINJA® ZX™-6R
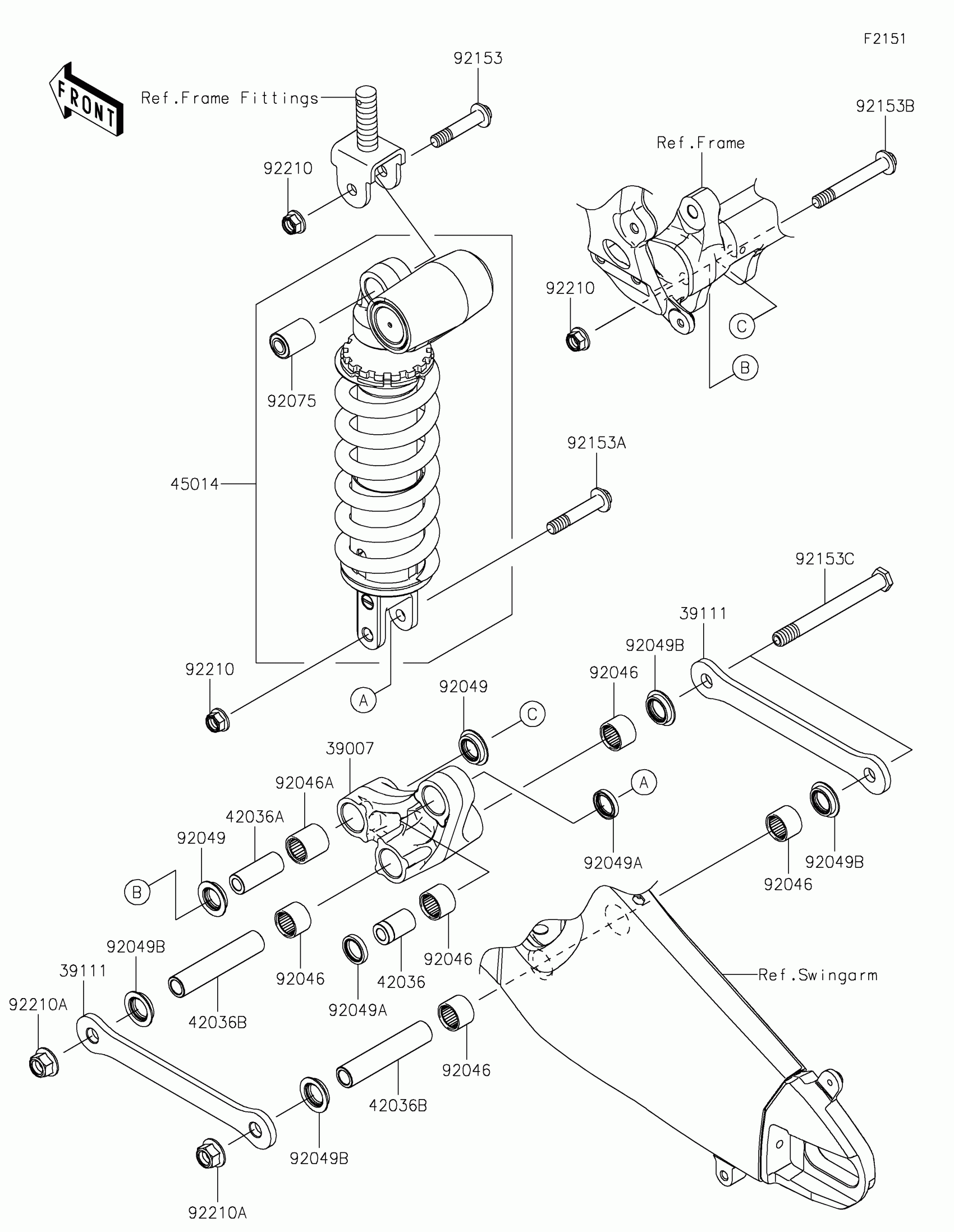
Suspension/Shock Absorber
Kawasaki NINJA® ZX™-6R Suspension/Shock Absorber Diagram
#
Description
Price
Suspension/Shock Absorber
#
Edit ride
