- Partiron
- OEM Parts
- Kawasaki
- motorcycle
- 1997
- Ninja® ZX™-6R
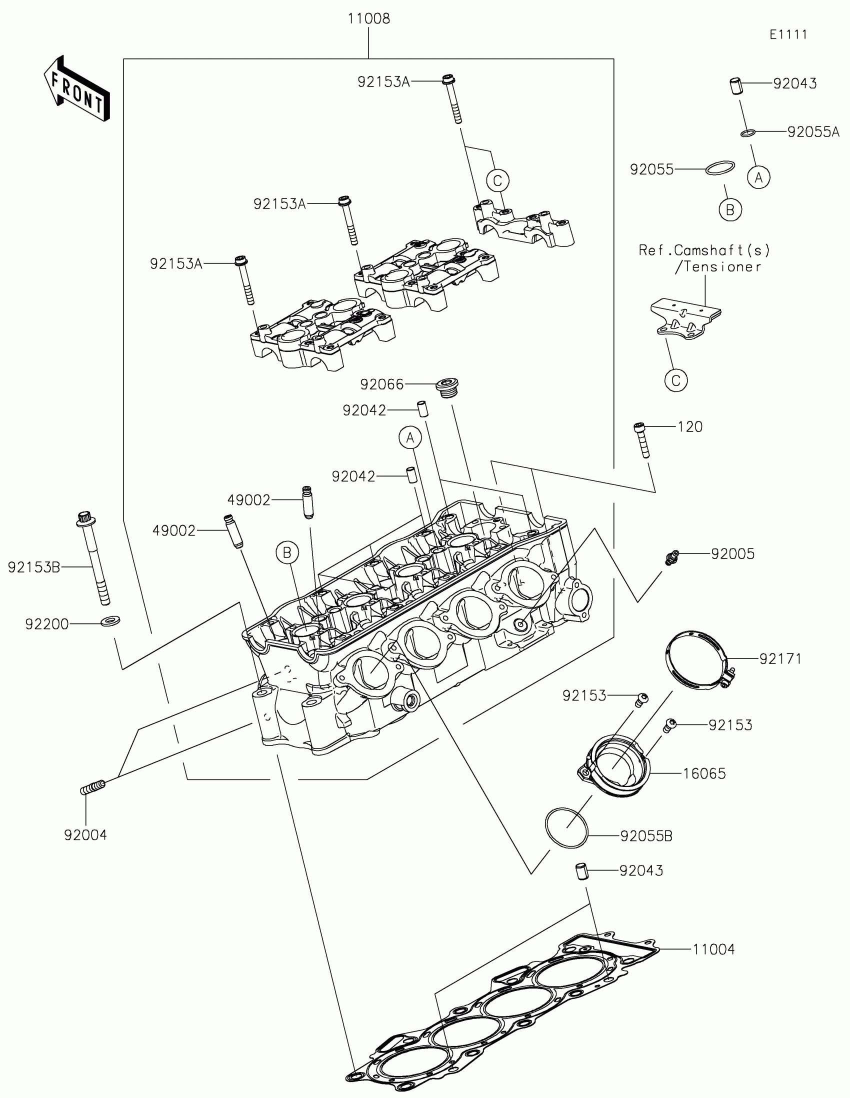
Cylinder Head
Kawasaki Ninja® ZX™-6R Cylinder Head Diagram
#
Description
Price
11008
HEAD-COMP-CYLINDER
11008-1293
Unavailable
11060
GASKET,BEARING CAP
11060-1861
Unavailable
14090A
COVER
14090-1657
Unavailable
16065
HOLDER-CARBURETOR
16065-1305
Unavailable
49002
GUIDE-VALVE
49002-1128
Unavailable
92150E
BOLT
92150-1981
Unavailable
