- Partiron
- OEM Parts
- Kawasaki
- motorcycle
- 1997
- Ninja® ZX™-6R
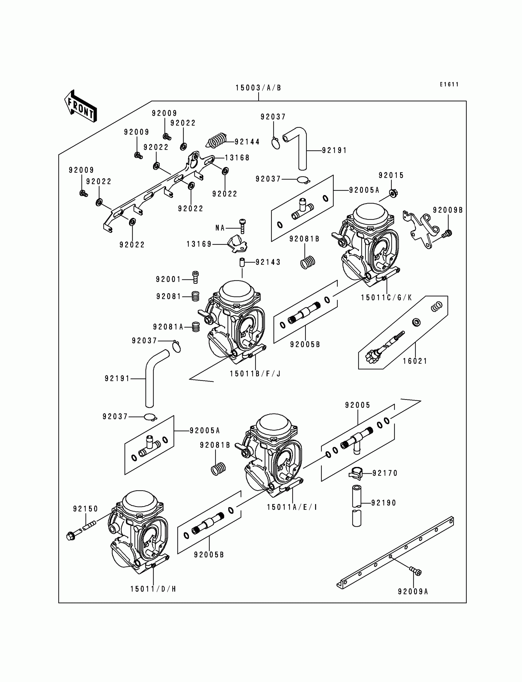
Carburetor
Kawasaki Ninja® ZX™-6R Carburetor Diagram
#
Description
Price
13168
LEVER,STARTER
13168-1483
Unavailable
92005B
FITTING
92005-1312
Unavailable
92144
SPRING,STARTER LEVER
92144-1547
Unavailable
92190
TUBE,7.3X12.5X380
92190-1410
Unavailable
92191
TUBE,7X11X10
92191-1013
Unavailable
15003A
CARBURETOR-ASSY
15003-1217
Unavailable
15003B
CARBURETOR-ASSY
15003-1218
Unavailable
15011F
CARBURETOR,RH,INSIDE
15011-1075
Unavailable
