Partiron

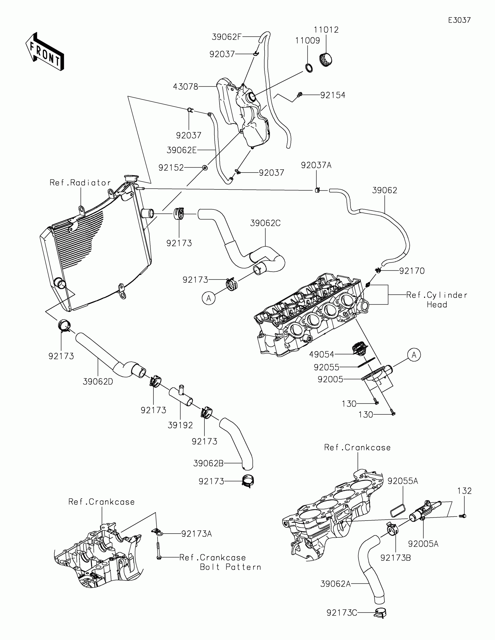
Kawasaki Ninja® ZX™-6R ABS Water Pipe Diagram

#

Description
Price

130

BOLT-FLANGED,5X14

130BA0514

$2.06

130A

BOLT-FLANGED,6X14

130BA0614

$1.20

132

BOLT-FLANGED-SMALL,6X20

132BB0620

$3.99

11009

GASKET,RESERVOIR TANK CAP

11009-1145

$1.42

11012

CAP

11012-1084

$1.72

39062

HOSE-COOLING,PIPE-W.PUMP

39062-0166

$20.51

39062A

HOSE-COOLING,RESERVOIR

39062-0269

$6.55

39062B

HOSE-COOLING,RAD.-WATER PIPE

39062-0609

$39.69

39062C

HOSE-COOLING,OVERFLOW

39062-0618

$10.80

39062D

HOSE-COOLING,W.PUMP-CYLINDER

39062-0626

$67.23

39062E

HOSE-COOLING,HEAD-RAD.

39062-0627

$71.11

39062F

HOSE-COOLING,RAD.-HEAD

39062-0628

$21.01

39192

PIPE-WATER

39192-0100

$13.06

43078

RESERVOIR

43078-0564

$68.64

49054

THERMOSTAT

49054-0004

$59.01

92005

FITTING,THERMO CAP

92005-0076

$79.65

92005A

FITTING

92005-0118

$38.65

92037

CLAMP,TUBE

92037-147

$7.34

92037A

CLAMP,TUBE

92037-1505

$4.76

92055

RING-O

92055-1402

$7.84

92055A

RING-O,THERMOSTAT CAP

92055-1699

$9.07

92152

COLLAR

92152-1414

$7.63

92170

CLAMP

92170-1493

$5.00

92171

CLAMP

92171-0179

$8.20

92171A

CLAMP

92171-1925

$11.65