Partiron

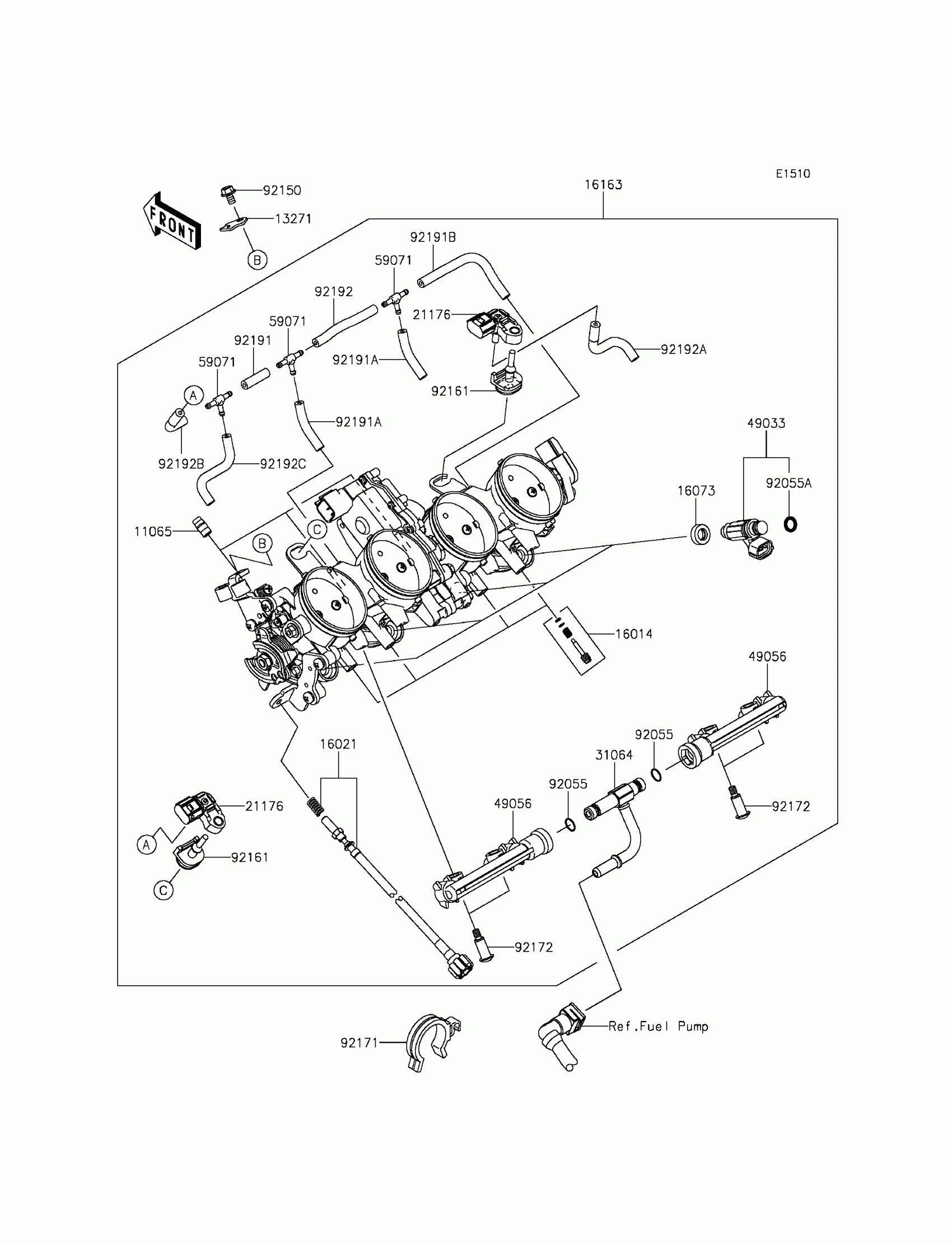
Kawasaki Ninja® ZX™-6R ABS Throttle(CN,US) Diagram

#

Description
Price

11065

CAP

11065-0018

$6.12

13271

PLATE

13271-0559

$3.35

16014

SCREW-PILOT AIR

16014-0002

$25.16

16021

SCREW-THROTTLE STOP

16021-0028

$113.02

16073

INSULATOR

16073-3707

$6.18

16163

THROTTLE-ASSY,TTK38

16163-0772

$1,991.85

21176

SENSOR,PRESSURE

21176-0111

$222.28

31064

PIPE-COMP

31064-0622

$90.96

49033

NOZZLE-INJECTION

49033-0012

$132.64

49056

PIPE-INJECTION

49056-0014

$103.61

59071

JOINT,3WAY,T

59071-3752

$10.19

92055

RING-O

92055-0064

$7.65

92055A

RING-O,INJECTION NOZZLE

92055-1622

$1.95

92150

BOLT,5X8

92150-1406

$3.94

92161

DAMPER

92161-0673

$5.54

92171

CLAMP

92171-0359

$10.11

92172

SCREW,PIPE INJECTION

92172-0064

$2.80

92191

TUBE,3X7X25

92191-0020

$2.39

92191A

TUBE,3X7X40

92191-0022

$3.23

92191B

TUBE,3X7X100

92191-0023

$4.14

92192

TUBE,3X7X72

92192-0739

$8.37

92192A

TUBE,THROBO RH-SENSOR

92192-0840

$9.96

92192B

TUBE,THROBO LH-JOINT

92192-0841

$9.96

92192C

TUBE,SENSOR-JOINT

92192-0842

$9.96