- Partiron
- OEM Parts
- Kawasaki
- motorcycle
- 2015
- Ninja® ZX™-6R ABS
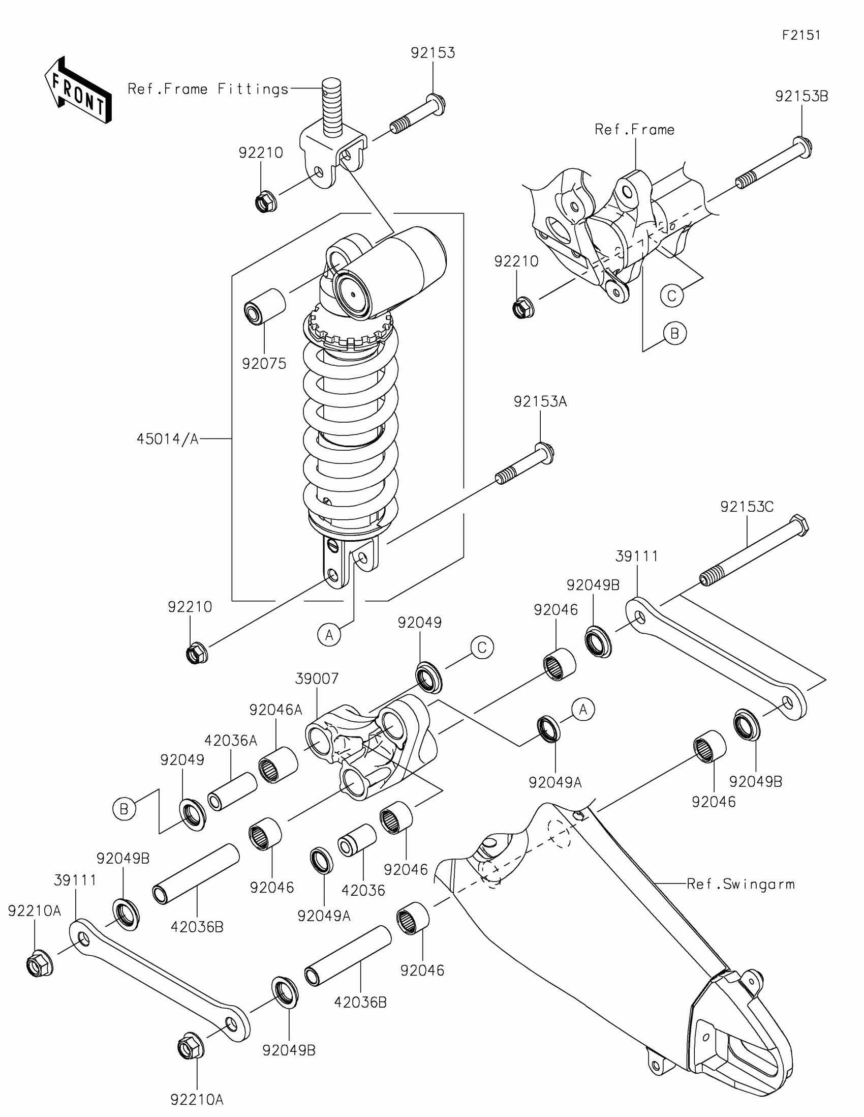
Suspension/Shock Absorber
Kawasaki Ninja® ZX™-6R ABS Suspension/Shock Absorber Diagram
#
Description
Price
Suspension/Shock Absorber
#
Edit ride
