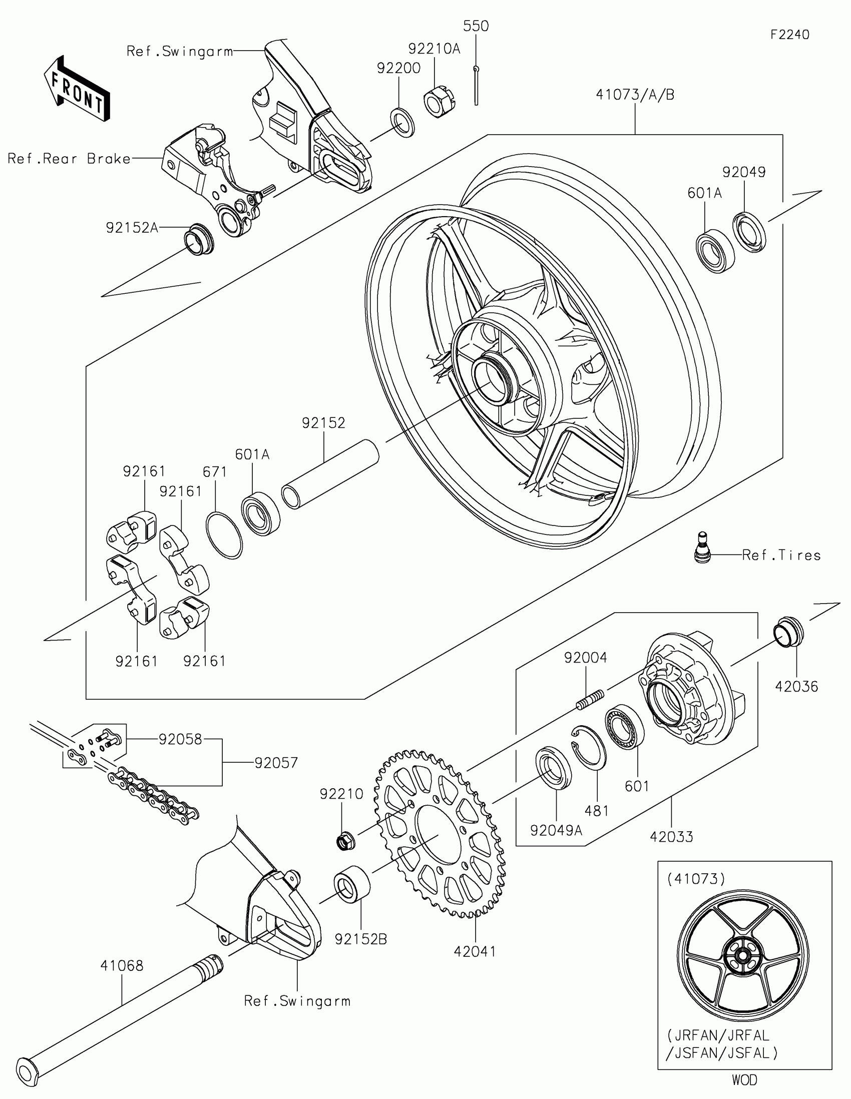
Partiron

Kawasaki Ninja® ZX™-6R ABS Rear Wheel/Chain Diagram

#

Description
Price

481

CIRCLIP

481J5500

$8.84

550

PIN-COTTER,4.0X45

550AA4045

$1.20

601

BEARING-BALL,#6006G

601B6006G

$29.13

601A

BEARING-BALL

601B6205UU

$29.62

671

O RING,60MM

671B2560

$6.91

41068

AXLE,RR

41068-0035

$90.89

41073A

WHEEL-ASSY,RR,G.BLACK

41073-0615-18F

$966.58

42033

COUPLING-ASSY,RR HUB

42033-0026

$237.91

42036

SLEEVE,RR HUB,L=22

42036-1279

$29.08

42041

SPROCKET-HUB,43T

42041-0094

$92.76

92004

STUD,10X19

92004-0028

$8.92

92049

SEAL-OIL,31X52X5

92049-0722

$19.92

92049B

SEAL-OIL,PJN 40 55 8

92049-1376

$17.95

92057

CHAIN,DRIVE,EK520RM/3DX112L

92057-0647

$250.28

92058

JOINT-CHAIN

92058-0037

$15.46

92152

COLLAR,RR HUB,L=137

92152-0214

$35.74

92152A

COLLAR,RR AXLE,RH,L=16

92152-1246

$25.14

92152B

COLLAR,RR AXLE,LH,L=23.5

92152-1254

$26.77

92161

DAMPER,SHOCK,RR HUB

92161-0342

$26.13

92200

WASHER,25.5X38X3.2

92200-0278

$2.61

92210

NUT,LOCK,FLANGED,10MM

92210-0276

$2.61

92210A

NUT,CASTLE,24MM

92210-0280

$13.60