- Partiron
- OEM Parts
- Kawasaki
- motorcycle
- 1990
- Ninja® ZX™-6
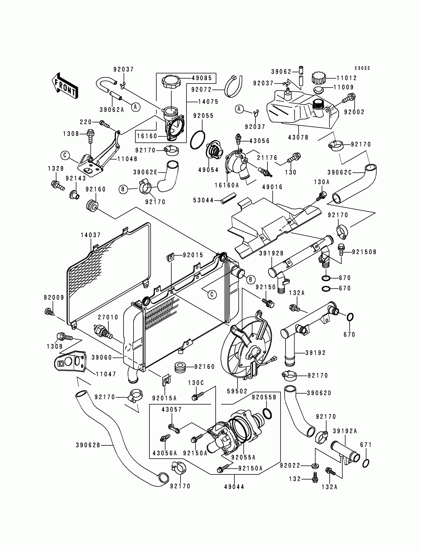
Radiator
Kawasaki Ninja® ZX™-6 Radiator Diagram
#
Description
Price
11047
BRACKET,THERMO BODY
11046-1944
Unavailable
39062
HOSE-COOLING,RADIATOR-PUMP
39062-1394
Unavailable
39062B
HOSE-COOLING,THERMO-HEAD
39062-1396
Unavailable
49016
COVER-SEAL
49016-1154
Unavailable
49054
THERMOSTAT
49054-1051
Unavailable
