- Partiron
- OEM Parts
- Kawasaki
- motorcycle
- 2025
- Ninja ZX-4R ABS
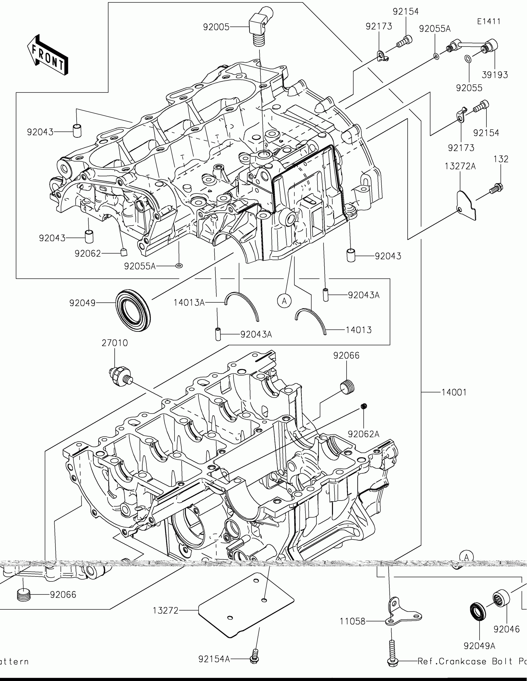
Crankcase
Kawasaki Ninja ZX-4R ABS Crankcase Diagram
#
Description
Price
92055A
RING-O,4.8MM
92055-0845
Unavailable
Crankcase
#
92055A
92055-0845
Unavailable
Edit ride
