- Partiron
- OEM Parts
- Kawasaki
- motorcycle
- 2014
- NINJA® ZX™-14R
Fuel Evaporative System
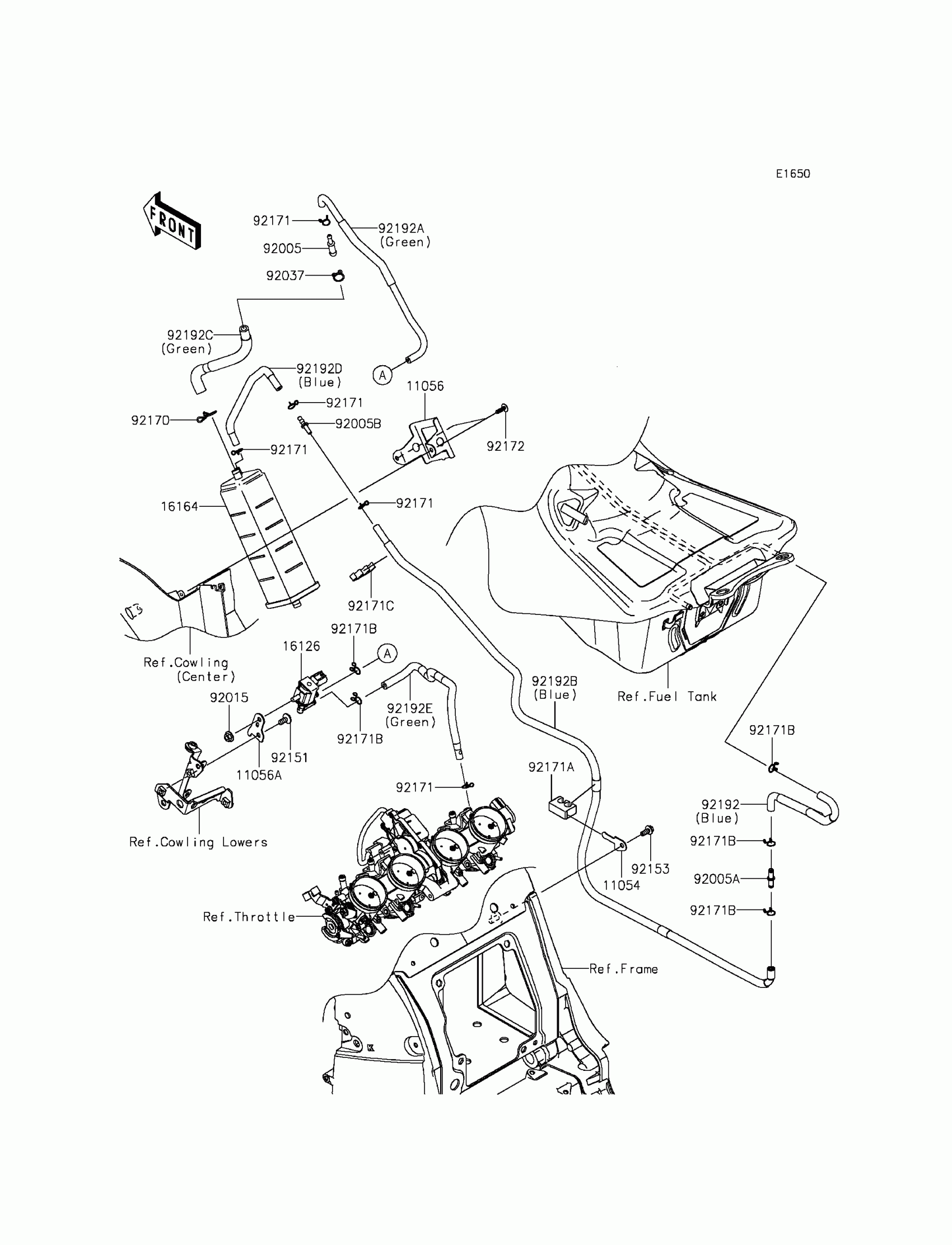
Kawasaki NINJA® ZX™-14R Fuel Evaporative System Diagram
#
Description
Price
Fuel Evaporative System
#
Edit ride
