- Partiron
- OEM Parts
- Kawasaki
- motorcycle
- 2013
- NINJA® ZX™-14R
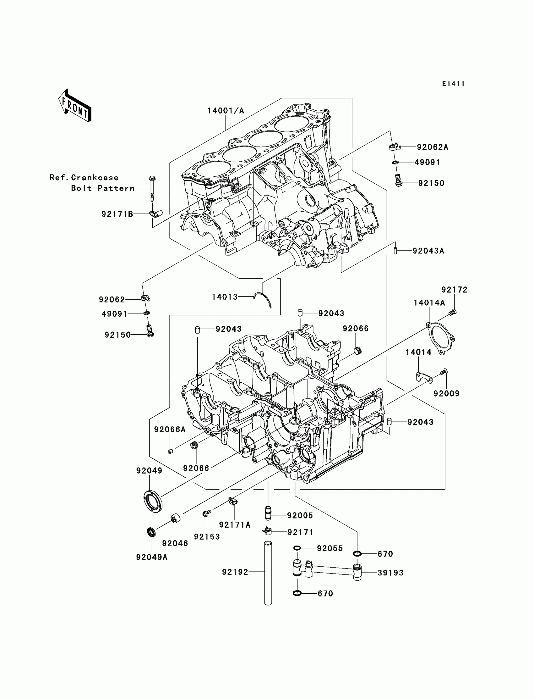
Crankcase
Kawasaki NINJA® ZX™-14R Crankcase Diagram
#
Description
Price
92062
NOZZLE
92062-0560
Unavailable
92192
TUBE,11X17X180
92192-0254
Unavailable
