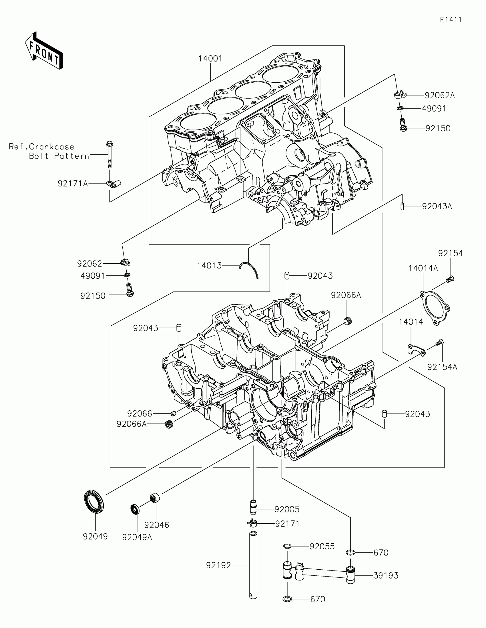
Partiron

Kawasaki Ninja ZX-14R ABS SE Crankcase Diagram

#

Description
Price

14001

SET-CRANKCASE

14001-0653

$2,600.43

14013

RING-POSITION

14013-1051

$3.96

14014

PLATE-POSITION

14014-0023

$5.65

14014A

PLATE-POSITION

14014-0038

$17.25

39193

PIPE-OIL

39193-0577

$88.98

49091

WASHER-SEAL,10.1X14.5X1.5

49091-0001

$2.15

92005

FITTING

92005-0043

$10.21

92043

PIN,10X14

92043-1506

$3.32

92043A

PIN,6X16

92043-1690

$5.00

92046

BEARING-NEEDLE,HK1412FM

92046-0043

$17.22

92049

SEAL-OIL,TC38 57 8

92049-0068

$11.93

92049A

SEAL-OIL,TC14245

92049-1520

$13.87

92055

RING-O,13.8X1.9

92055-0065

$3.35

92062

NOZZLE

92062-0027

$68.99

92062A

NOZZLE

92062-0028

$68.99

92066

PLUG

92066-0066

$7.69

92066A

PLUG

92066-0836

$4.87

92150

BOLT,BANJO,10X23

92150-1641

$14.23

92154

BOLT,TORX,8X16

92154-1787

$3.86

92154A

BOLT,TORX,6X11.7

92154-1821

$3.92

92171

CLAMP

92171-0533

$3.39

92171A

CLAMP

92171-0689

$8.68

92192

TUBE,11X17X180

92192-1407

$25.24

670

O RING,16MM

670D2016

$1.70