- Partiron
- OEM Parts
- Kawasaki
- motorcycle
- 2014
- NINJA® ZX™-14R ABS
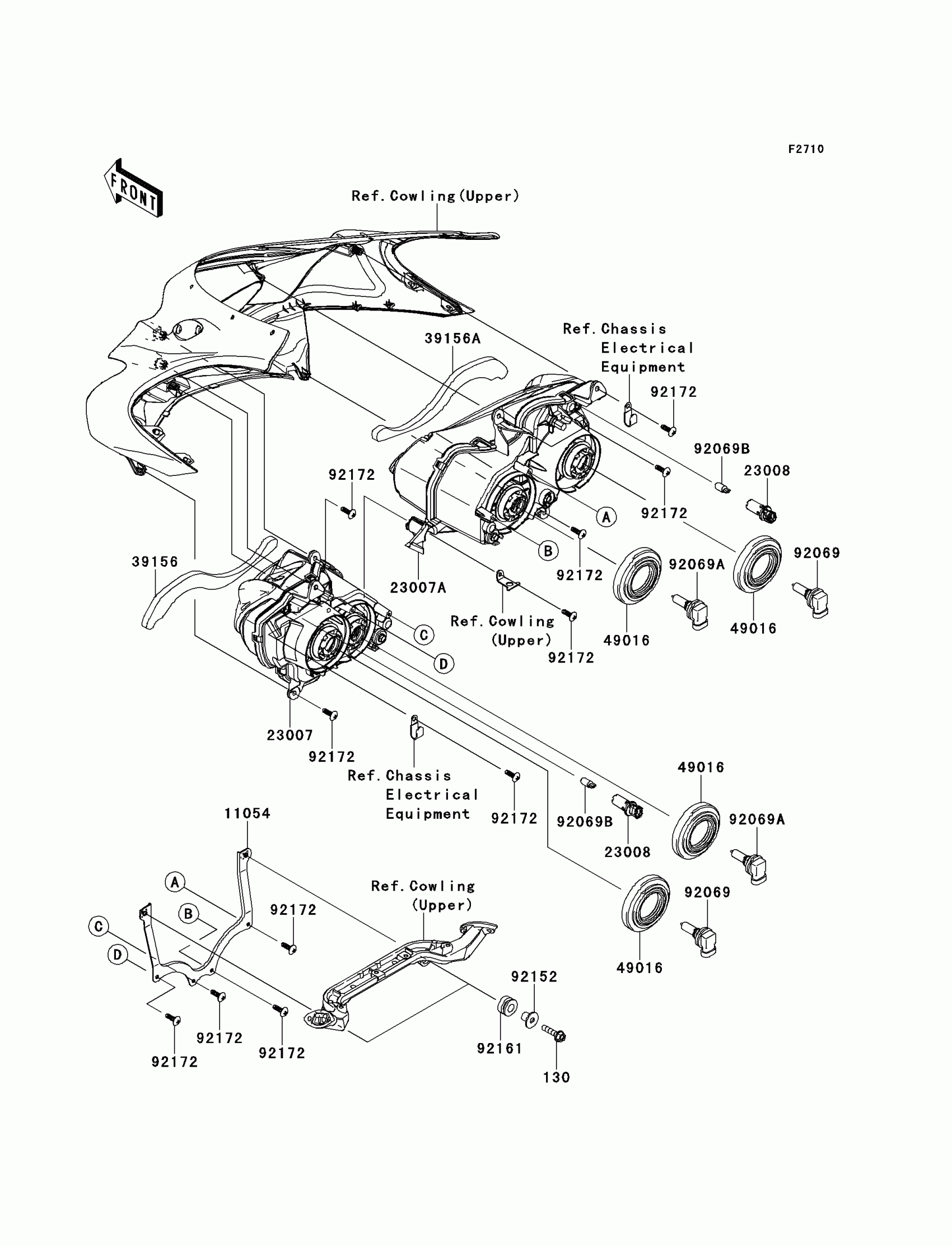
Headlight(s)
Kawasaki NINJA® ZX™-14R ABS Headlight(s) Diagram
#
Description
Price
23007
LENS-COMP,HEAD LAMP,LH
23007-0161
Unavailable
23007A
LENS-COMP,HEAD LAMP,RH
23007-0162
Unavailable
