Partiron

Kawasaki NINJA® ZX™-14R ABS Fuel Injection Diagram

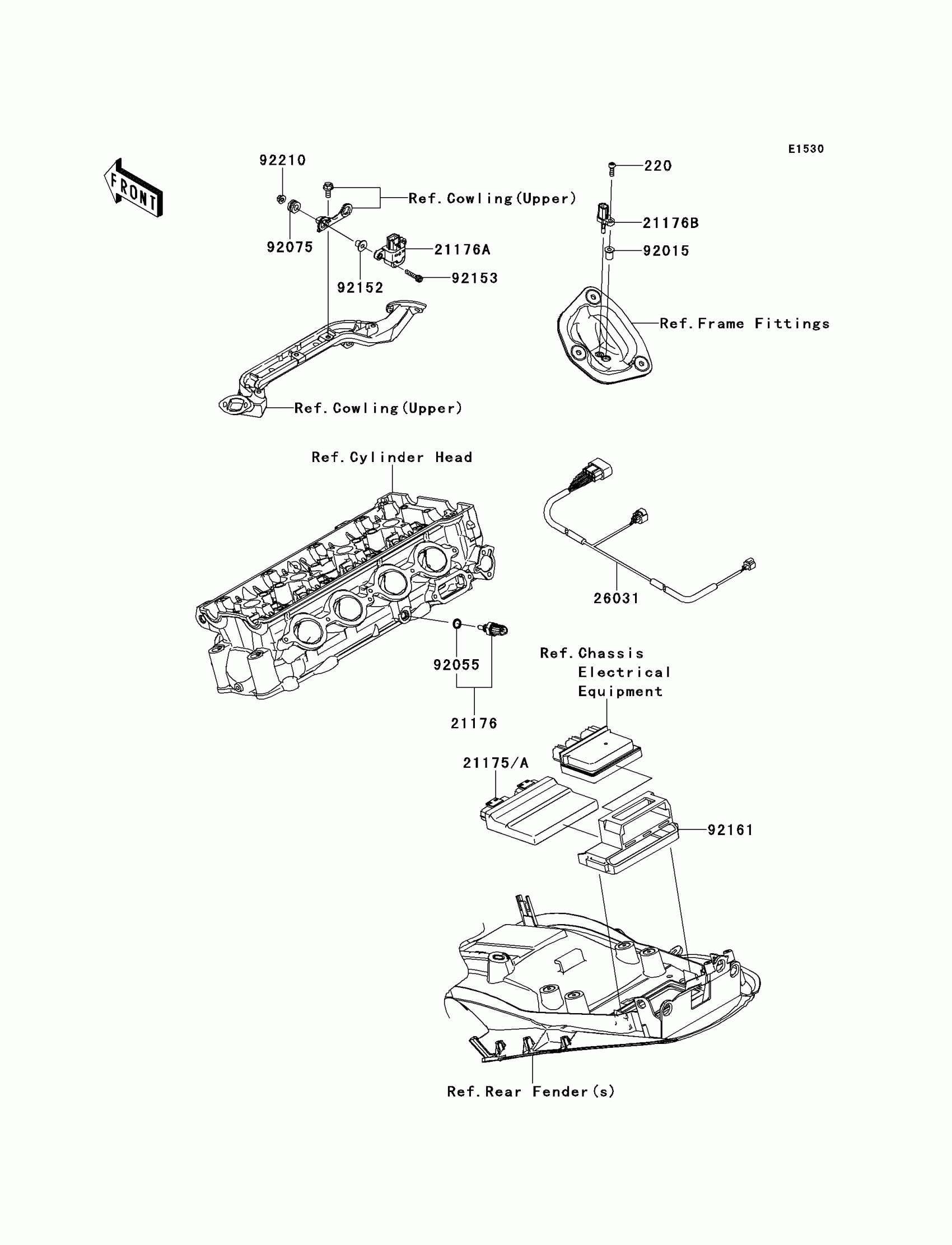
#

Description
Price

220

SCREW-PAN-CROS,5X18

220AB0518

$3.69

21176

SENSOR,WATER TEMP

21176-0009

$69.24

21176A

SENSOR,VEHICLE-DOWN

21176-0026

$86.97

21176B

SENSOR,AIR TEMPERATURE

21176-0048

$26.91

26031

HARNESS

26031-1221

$69.87

92015

NUT,WELL,5MM

92015-1757

$7.29

92055

RING-O,9.5X1.9

92055-0016

$8.89

92075

DAMPER

92075-1912

$5.77

92152

COLLAR

92152-0329

$7.75

92153

BOLT,SOCKET,5X22

92153-1597

$2.15

92161

DAMPER,ECU

92161-1395

$22.59

92210

NUT,FLANGED,5MM

92210-0007

$2.70

21175

CONTROL UNIT-ELECTRONIC

21175-0838

$1,216.30

21175A

CONTROL UNIT-ELECTRONIC

21175-0839

$1,216.30