- Partiron
- OEM Parts
- Kawasaki
- motorcycle
- 2014
- NINJA® ZX™-14R ABS
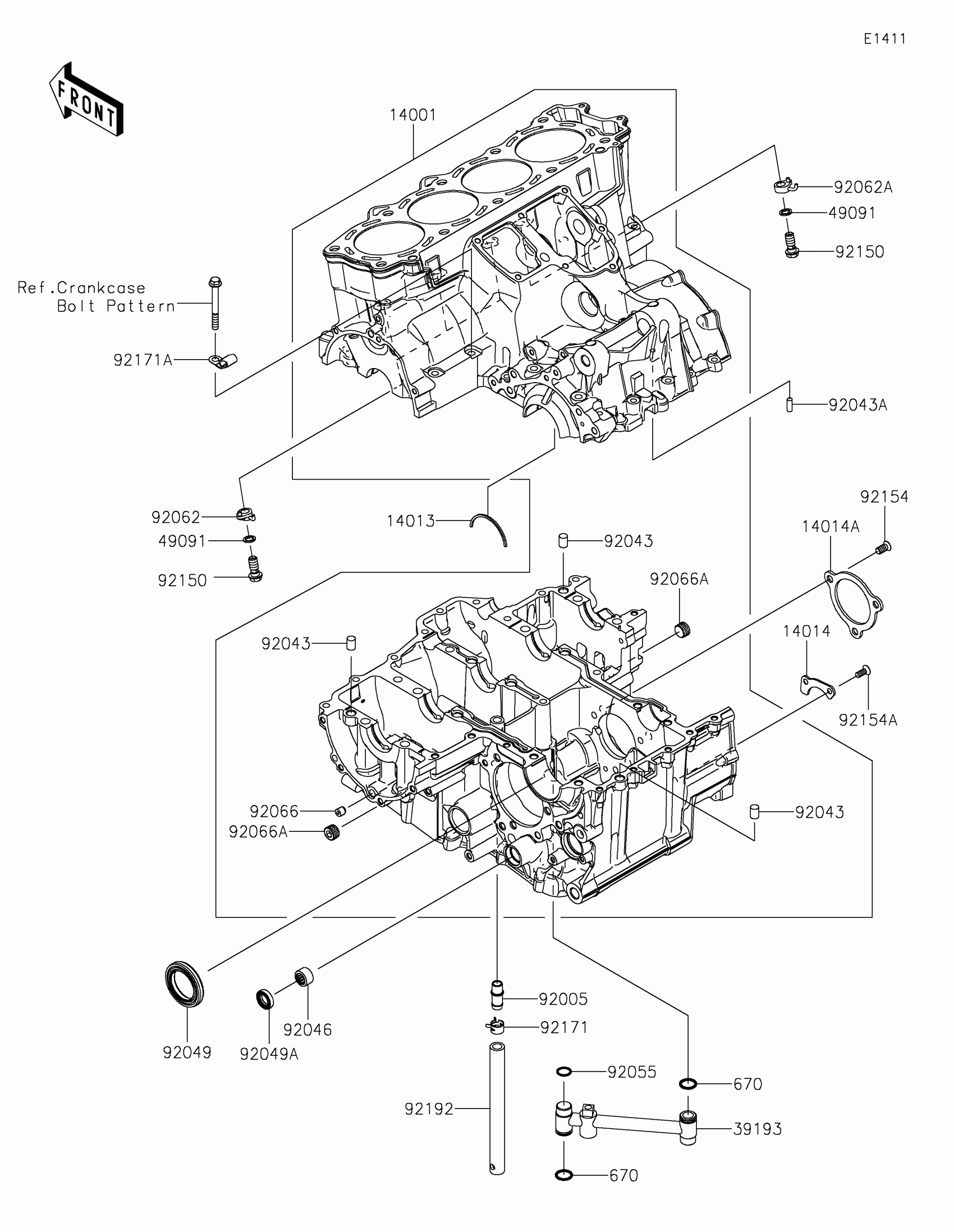
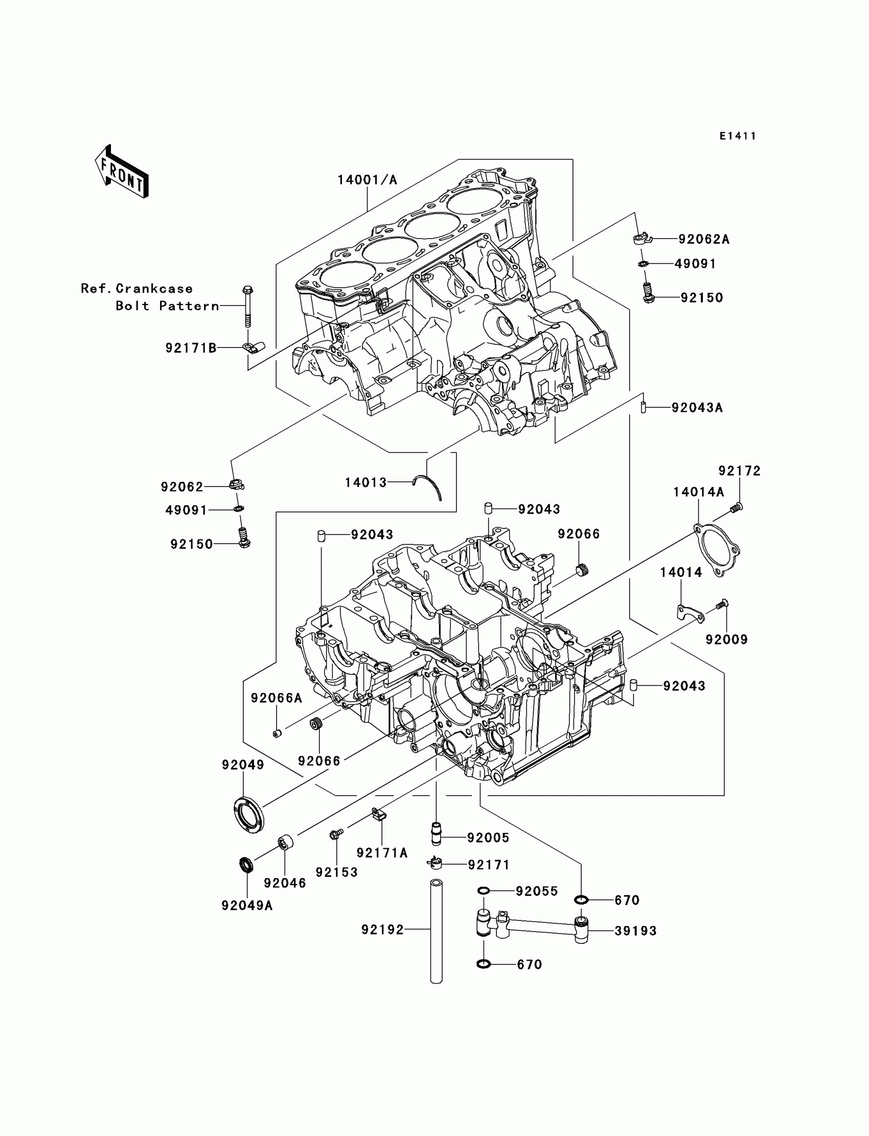
Crankcase
Kawasaki NINJA® ZX™-14R ABS Crankcase Diagram
#
Description
Price
92062
NOZZLE
92062-0560
Unavailable
92192
TUBE,11X17X180
92192-0254
Unavailable
