Partiron

Kawasaki Ninja® ZX™-12R Balancer Diagram

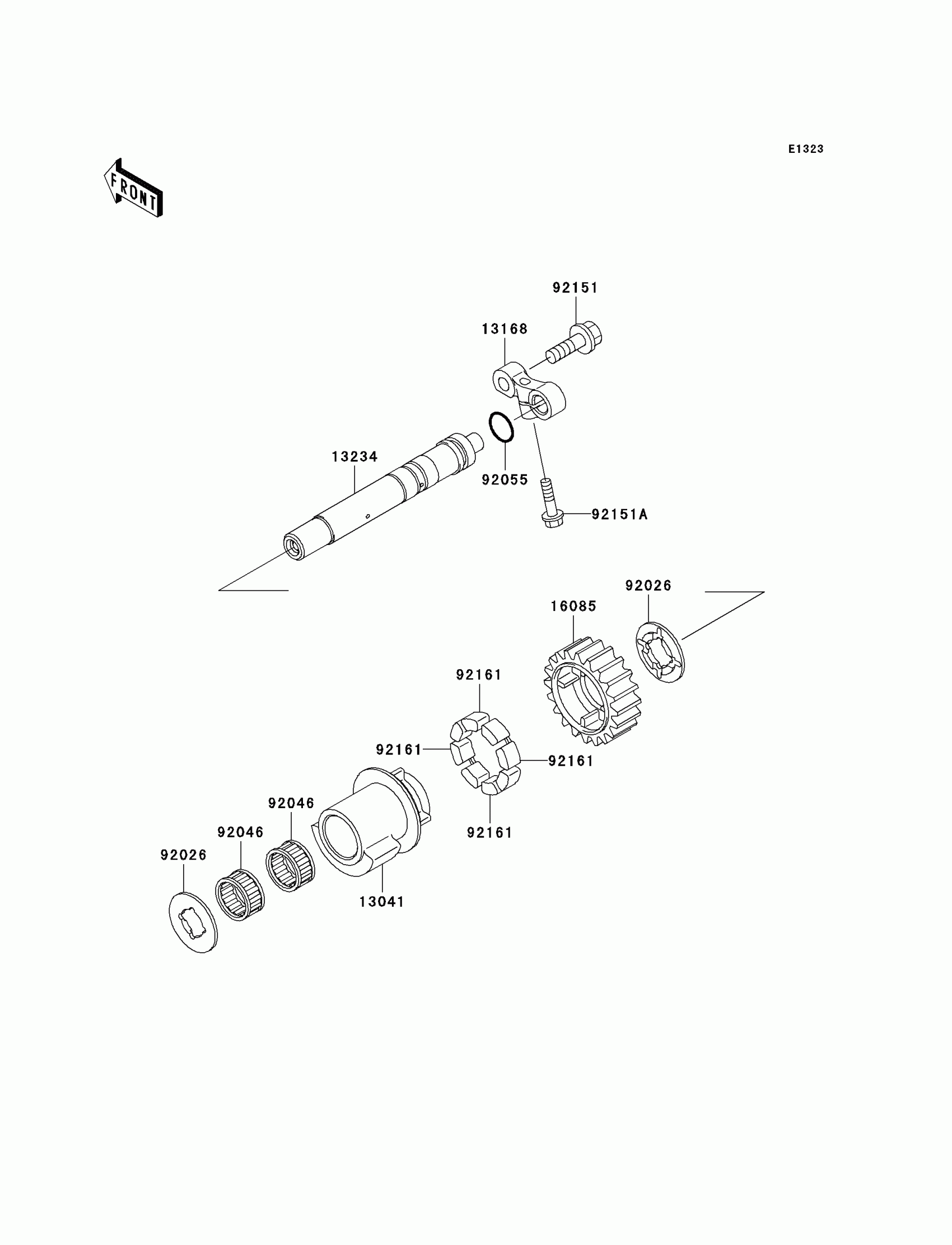
#

Description
Price

13041

BALANCER

13041-1125

$162.26

13168

LEVER

13168-1671

$51.34

13234

SHAFT-COMP

13234-1109

Unavailable

16085

GEAR

16085-1324

$209.27

92026

SPACER

92026-1540

$30.31

92046

BEARING-NEEDLE

92046-1266

$30.71

92055

RING-O,16.8X2.4

92055-1258

$4.92

92151

BOLT,6X25

92151-1130

$2.80

92151A

BOLT,8X25

92151-1527

Unavailable

92161

DAMPER

92161-1055

$11.63