- Partiron
- OEM Parts
- Kawasaki
- motorcycle
- 1993
- Ninja® ZX™-11
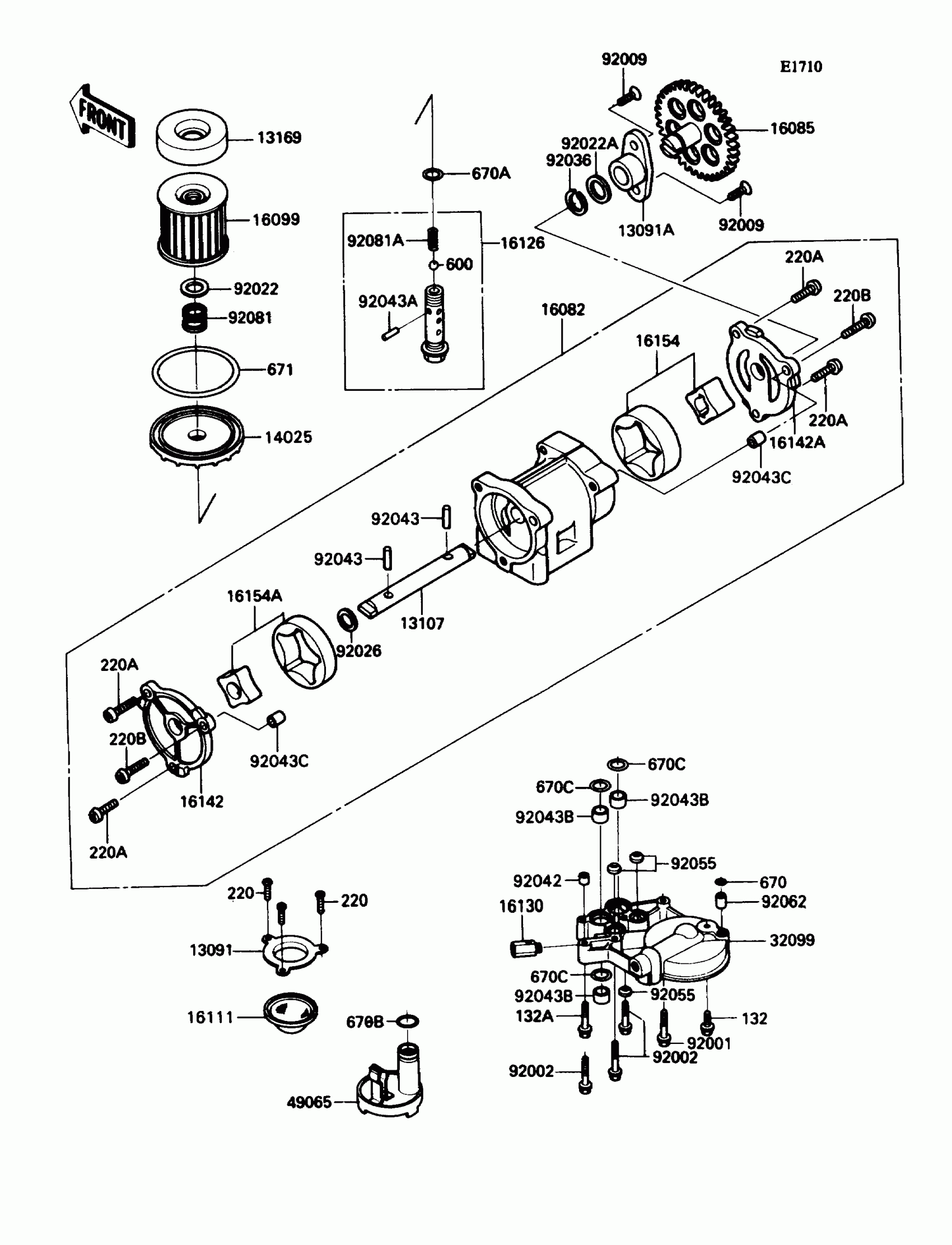
Oil Pump
Kawasaki Ninja® ZX™-11 Oil Pump Diagram
#
Description
Price
13107
SHAFT,OIL PUMP
13107-1236
Unavailable
16082
PUMP-ASSY-OIL
16082-1096
Unavailable
16130
VALVE-ASSY-RELIEF
16130-1001
Unavailable
220
SCREW PAN HEAD 6X12
220B0612
Unavailable
