Partiron

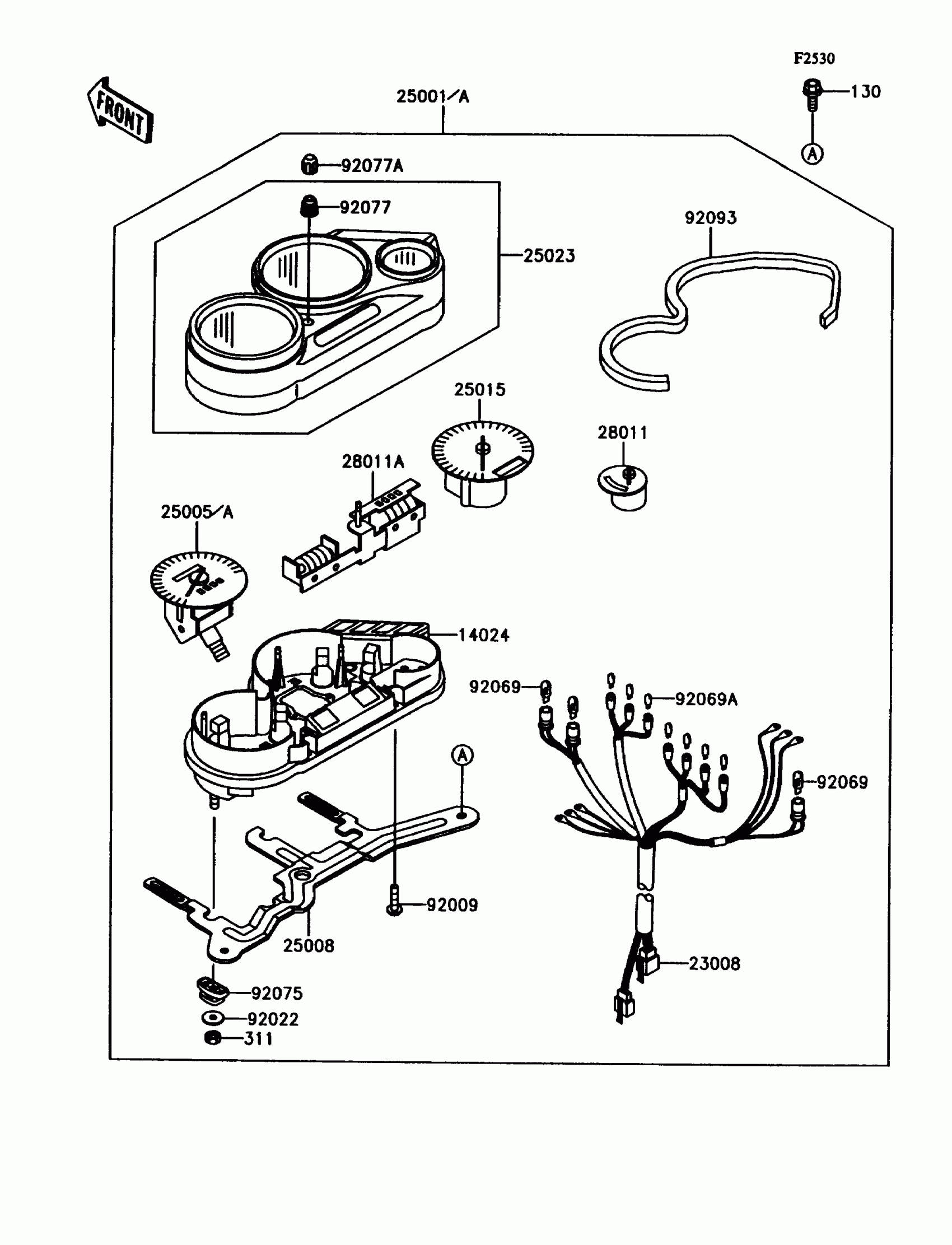
Kawasaki Ninja® ZX™-11 Meter Diagram

#

Description
Price

14024

COVER,METER HOUSING

14024-1887

Unavailable

23008

SOCKET-ASSY,METER

23008-1419

$130.84

25001

METER-ASSY,MPH

25001-1789

$1,251.70

25005

SPEEDOMETER,MPH

25005-1435

$313.45

25008

BRACKET-METER

25008-1160

$70.61

25015

TACHOMETER,X1000R/MIN

25015-1288

$354.34

25023

COVER-METER CASE,UPP

25023-1167

$172.48

28011

METER,TEMP

28011-1116

$107.83

28011A

METER,TRIP

28011-1118

$169.28

92009

SCREW,TAPPING,4X16

92009-1163

$4.10

92022

WASHER,5.2X16X1.2

92022-263

$1.66

92069

BULB,12V 1.7W,T10

92069-1059

$4.96

92069A

BULB,14V 3W,T6.5

92069-1068

$5.00

92075

DAMPER,METER BRACKET

92075-1495

$12.79

92077

KNOB,TRIP RESET

92077-1087

$9.49

92077A

KNOB,TRIP RESET

92077-1094

$9.05

92093

SEAL,METER

92093-1308

$15.94

130

BOLT-FLANGED

130J0620

$0.43

311

NUT-HEX

311B0500

$0.47