- Partiron
- OEM Parts
- Kawasaki
- motorcycle
- 1990
- Ninja® ZX™-11
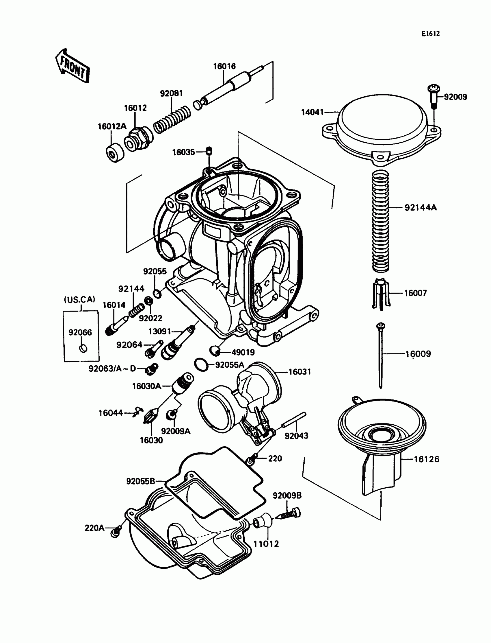
Carburetor Parts(&NAMI.015042)
Kawasaki Ninja® ZX™-11 Carburetor Parts(&NAMI.015042) Diagram
#
Description
Price
Carburetor Parts(&NAMI.015042)
#
Edit ride
