Partiron

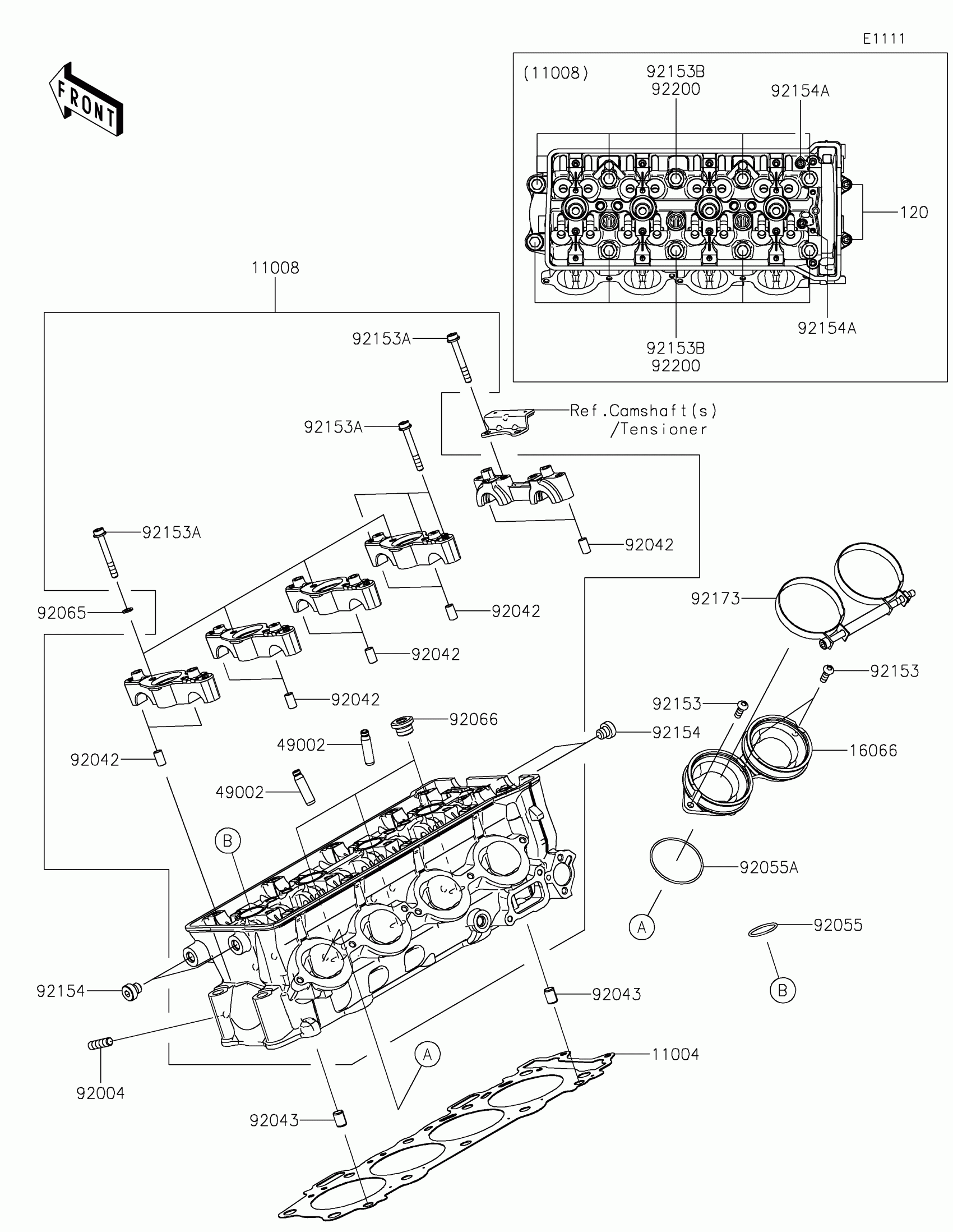
Kawasaki Ninja® ZX™-10RR (US) Cylinder Head Diagram

#

Description
Price

11004

GASKET-HEAD

11004-0779

$145.30

11008

HEAD-COMP-CYLINDER

11008-1443

$2,884.90

16066

HOLDER-THROTTLE BODY

16066-0013

$64.82

49002

GUIDE-VALVE

49002-0009

$34.18

92004

STUD,8X18

92004-0049

$5.60

92042

PIN,DOWEL,6.3X8X14

92042-007

$5.70

92043

PIN,8.2X10X14

92043-1264

$0.64

92055

RING-O,25.5X2

92055-0074

$3.90

92055A

RING-O,50X1.9

92055-0914

$9.93

92065

GASKET

92065-096

$4.65

92066

PLUG,16X10

92066-0129

$13.68

92153

BOLT,TORX,6X18

92153-0454

$2.12

92153A

BOLT,SOCKET,6X45

92153-0656

$2.55

92153B

BOLT,FLANGED,10X90

92153-1044

$11.00

92154

BOLT,SOCKET,10X10

92154-3844

$7.43

92154A

BOLT,SOCKET,5X14

92154-3846

$2.44

92173

CLAMP

92173-0222

$26.90

92200

WASHER,10.5X19X2.3

92200-0114

$3.29

120

BOLT-SOCKET,6X30

120CD0630

$4.76