Partiron

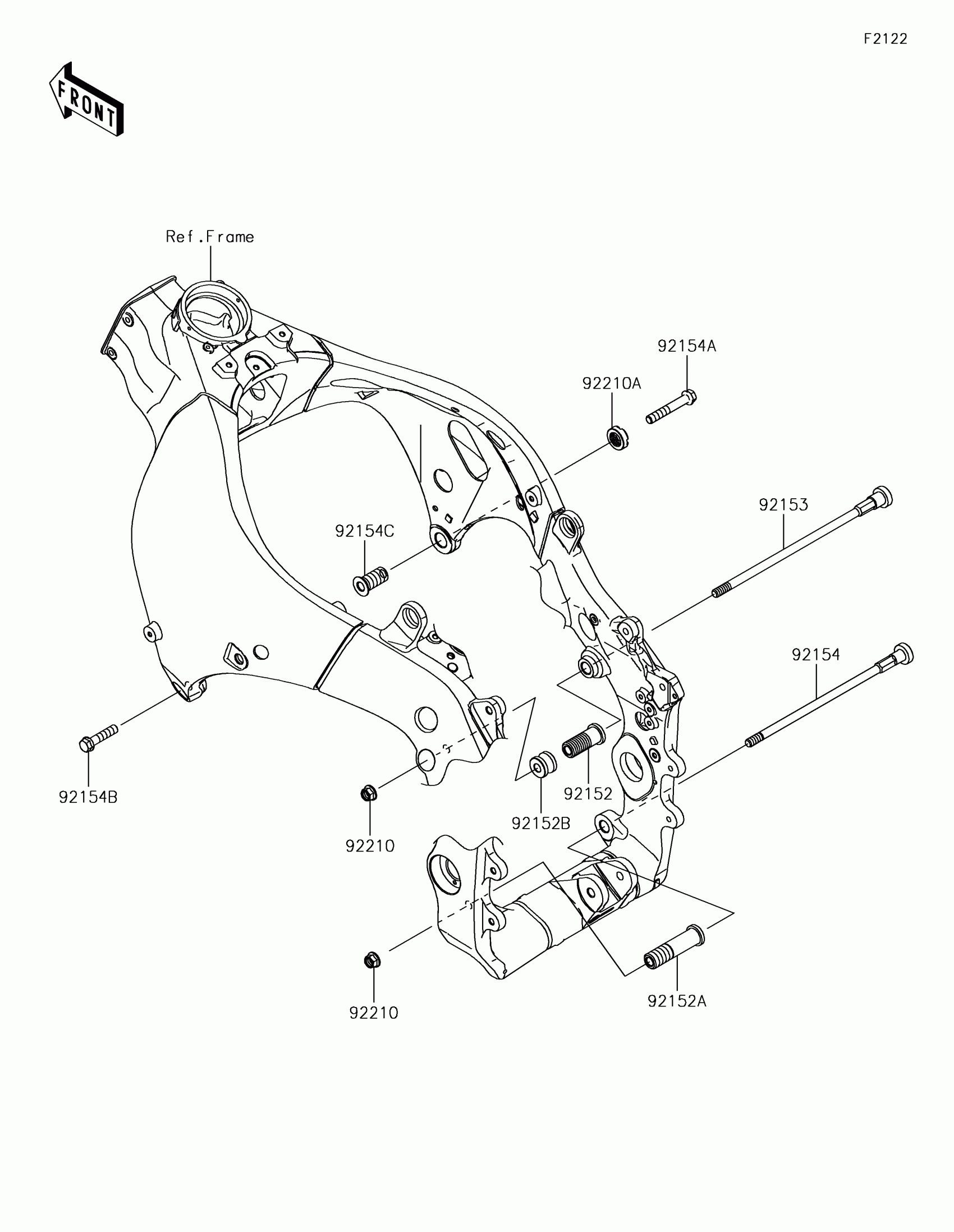
Kawasaki NINJA® ZX™-10RR Engine Mount Diagram

#

Description
Price

92152

COLLAR,ENGINE MOUNT

92152-0076

$28.70

92152A

COLLAR,10.5X20X80

92152-0860

$54.09

92152B

COLLAR

92152-0984

$26.90

92153

BOLT,SOCKET,10X279

92153-1329

$37.85

92154

BOLT,SOCKET,10X260

92154-0386

$50.09

92154A

BOLT,FLANGED,10X65

92154-1964

$12.83

92154B

BOLT,FLANGED,10X40

92154-1965

$8.05

92154C

BOLT,SOCKET,18X38

92154-1966

$38.30

92210

NUT,LOCK,FLANGED,10MM

92210-1139

$4.18

92210A

NUT,CASTLE,18MM

92210-1390

$19.00