- Partiron
- OEM Parts
- Kawasaki
- motorcycle
- 2004
- Ninja® ZX™-10R
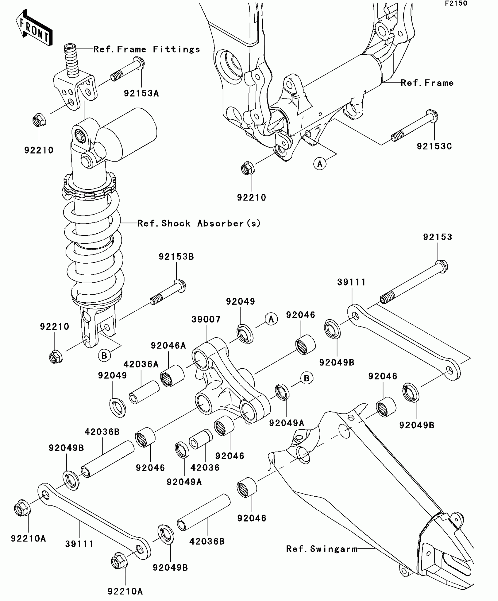
Rear Suspension
Kawasaki Ninja® ZX™-10R Rear Suspension Diagram
#
Description
Price
92153A
BOLT,FLANGED,10X55
92153-0663
Unavailable
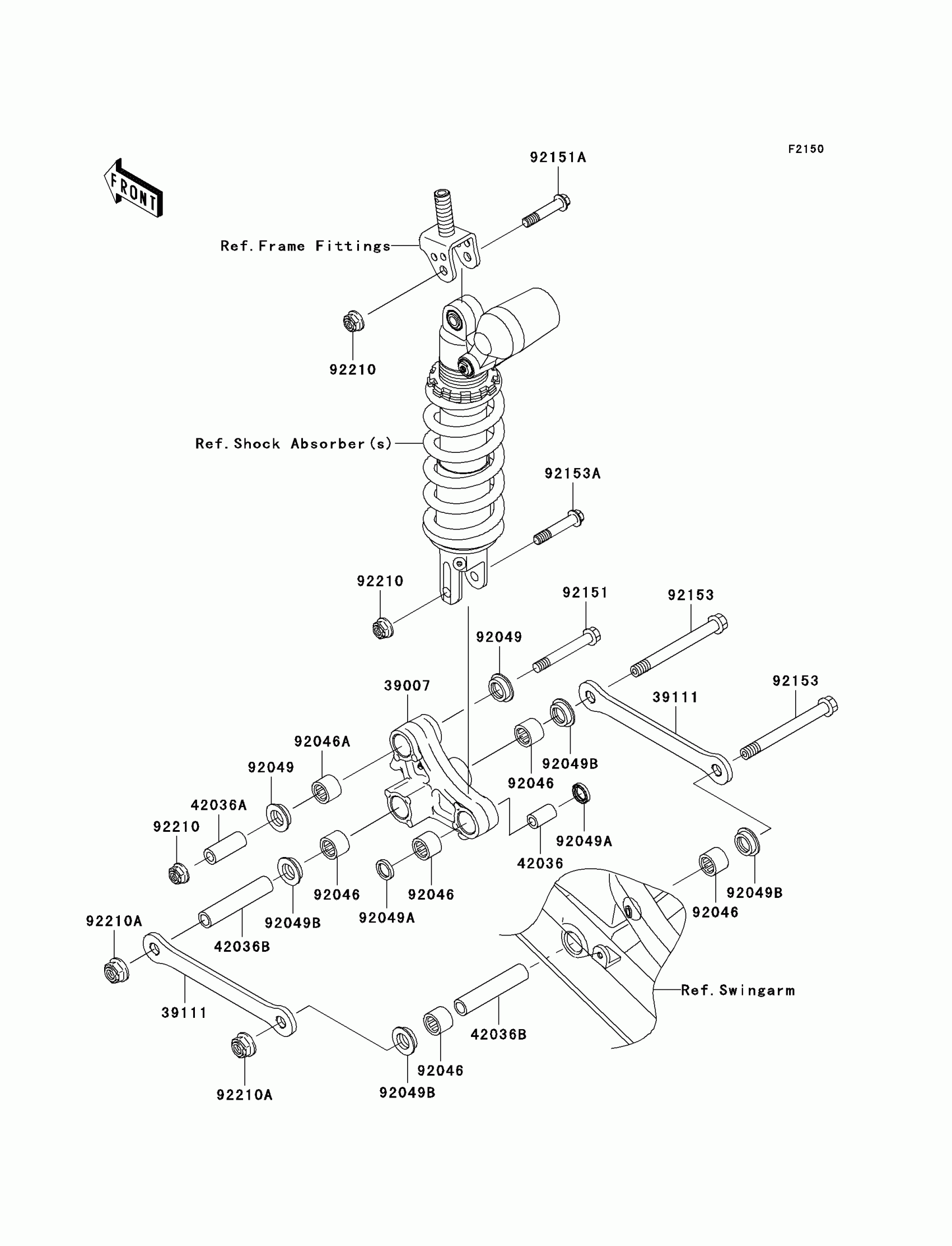
Rear Suspension
#
92153A
92153-0663
Unavailable
Edit ride
