- Partiron
- OEM Parts
- Kawasaki
- motorcycle
- 2004
- Ninja® ZX™-10R
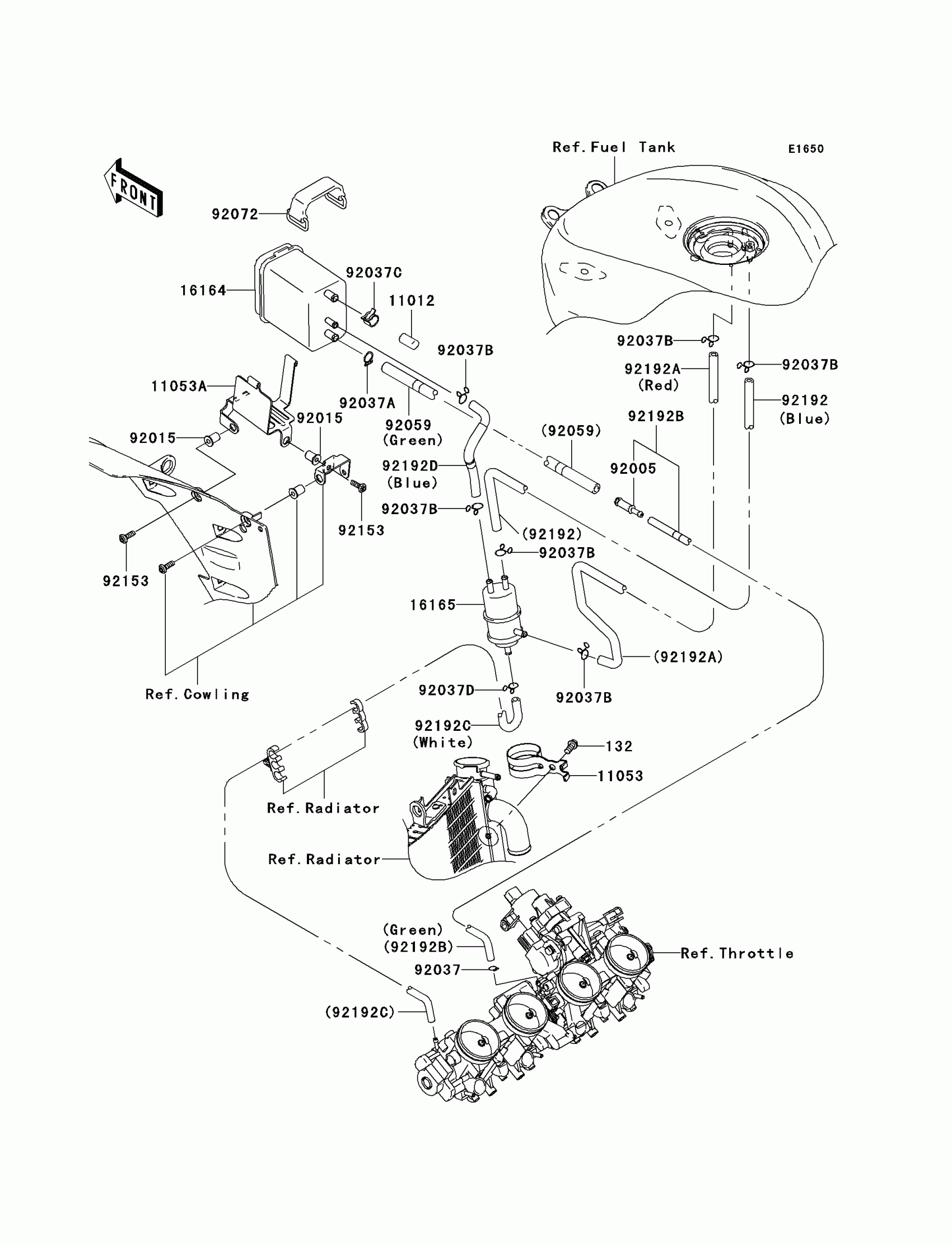
Fuel Evaporative System(CA)
Kawasaki Ninja® ZX™-10R Fuel Evaporative System(CA) Diagram
#
Description
Price
92192D
TUBE,SEPARATOR-CANISTER,BLUE
92192-0162
Unavailable
