Partiron

Kawasaki Ninja® ZX™-10R Frame Fittings Diagram

#

Description
Price

130

BOLT-FLANGED,6X14

130L0614

$2.33

550

PIN-COTTER,3X25

550S3025

$2.58

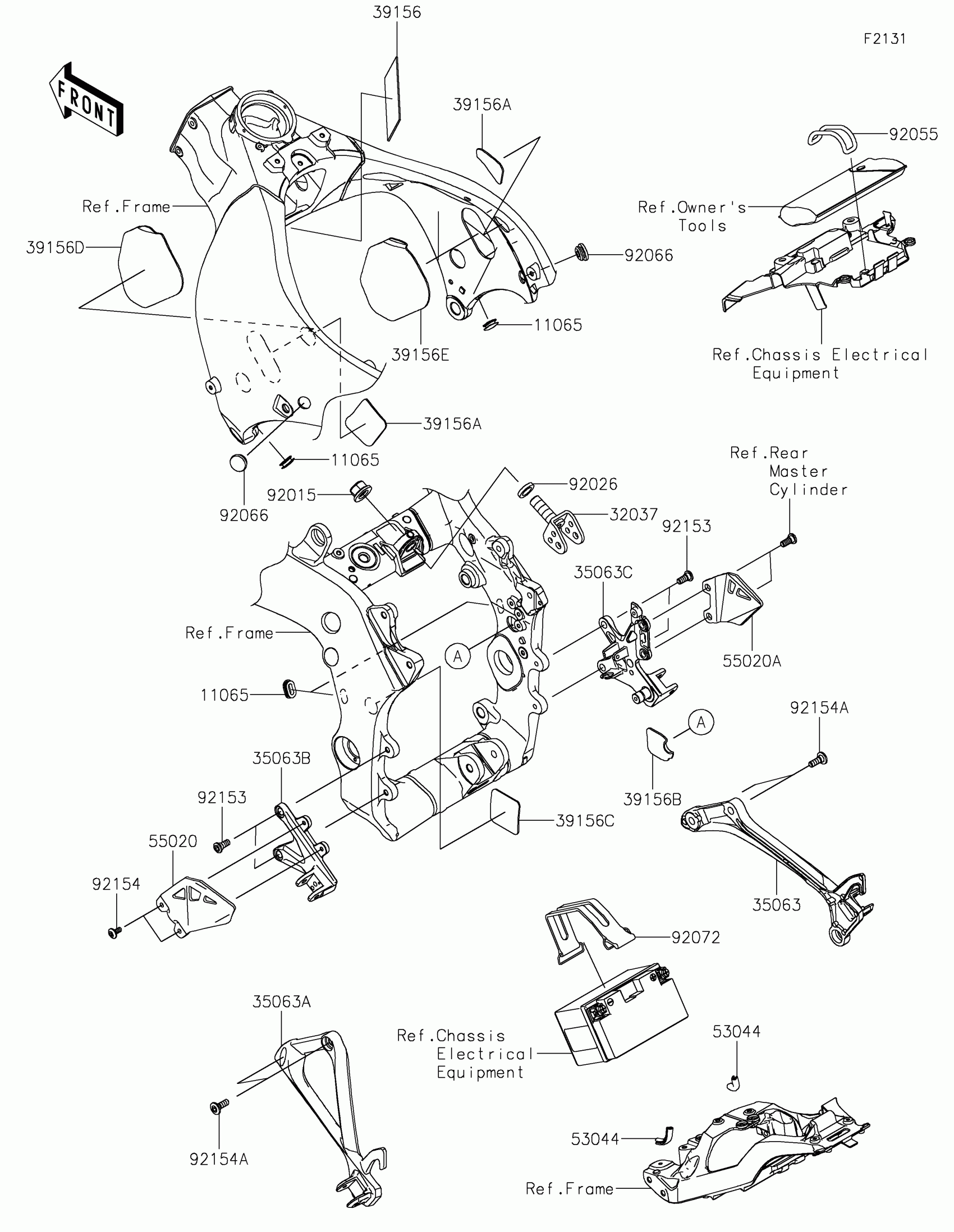
11053

BRACKET,HELMET HOOK

11053-0740

$14.15

11053A

BRACKET,HELMET HOOK

11053-0741

$14.15

32037

BRACKET-SHOCKABSORBER

32037-0013

$45.40

35063

STAY,FR,LH

35063-0051

$137.55

35063A

STAY,FR,RH

35063-0052

$151.56

35063B

STAY,RR,LH

35063-0060

$138.32

35063C

STAY,RR,RH

35063-0061

$151.56

42046

WASHER,17.3X32X3.2

42046-009

$7.84

55020

GUARD,FRONT STEP STAY,LH

55020-0107

$32.11

55020A

GUARD,FRONT STEP STAY,RH

55020-0108

$32.11

92015

NUT,FLANGED,16MM

92015-1881

$23.10

92026

SPACER,SET

92026-0057

$249.31

92066

PLUG

92066-1547

$3.62

92072

BAND,TOOL

92072-1176

$15.60

92072A

BAND,L=168

92072-1306

$13.75

92150

BOLT,SOCKET,8X20

92150-1839

$2.15

92151

BOLT,SOCKET,6X14

92151-1654

$1.83