- Partiron
- OEM Parts
- Kawasaki
- motorcycle
- 2004
- Ninja® ZX™-10R
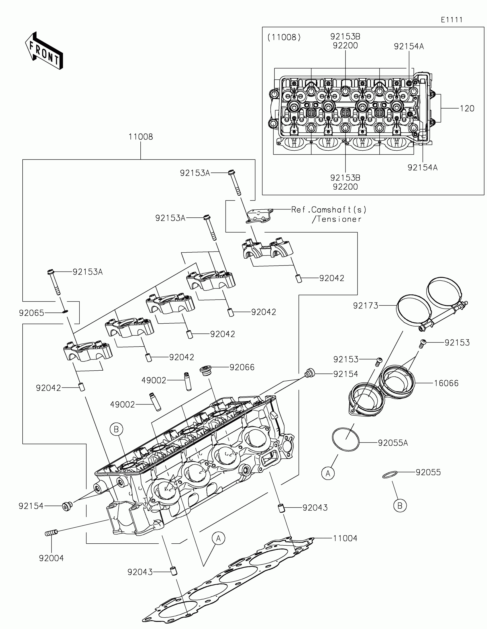
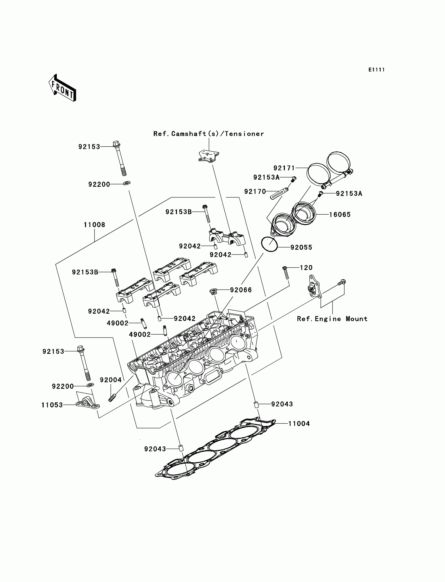
Cylinder Head
Kawasaki Ninja® ZX™-10R Cylinder Head Diagram
#
Description
Price
49002
GUIDE-VALVE
49002-0009
Unavailable
92171
CLAMP
92171-0278
Unavailable
